EasyManua.ls Logo

Minolta XE - Page 58

Minolta XE
167 pages
Print Icon
To Next Page IconTo Next Page
To Next Page IconTo Next Page
To Previous Page IconTo Previous Page
To Previous Page IconTo Previous Page
Loading...
L0-0@PI-
1196
10-6S0S-
180
a
10-0F0I-180
mD
Sap
ves
£1-0800-1ZL6
OS-0S9Z-
16L6
>,
10-980S-
189.
©)
10-SZLI-196
10-02€0-
180
10-
190S-
180
ZO-8S0S-
180
|
1T0-ST£0-
180
Es
10-ZS0S-
180
£0-L90I-
£0
x)
L0-O8L-S196
0S-891€-2626
ro-s0ee-6s0
QB
10-
1622-180
e019
£0-S2L0T-180
e
ro-zor-t00|
x)
10-S#OS-T80
x)
10-#h0S-
180
GP
"
(2x)
LO-OSFI-S196
ZO-SZOS-
180
®
greys
:
10-FI0T-
180
10-91€0-
180
10-#LS0-
180
10-9206-
#50
10-€1S0-
180
«
Z0-SZ¥8-
180
x)
LO-SBFI-1196
@
umoig
158
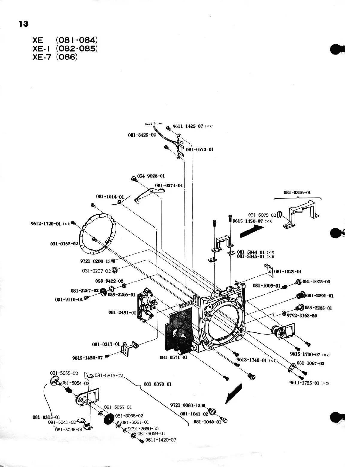
(980)
L-3X
(80-280)
1-3Xx
(v80-180)
3X
el

Related product manuals