EasyManua.ls Logo

Mitsubishi Electric Hydrobox EHSD-MED - Remote Controller Menu Navigation

Mitsubishi Electric Hydrobox EHSD-MED
36 pages
Print Icon
To Next Page IconTo Next Page
To Next Page IconTo Next Page
To Previous Page IconTo Previous Page
To Previous Page IconTo Previous Page
Loading...
25
System Set Up
5
en
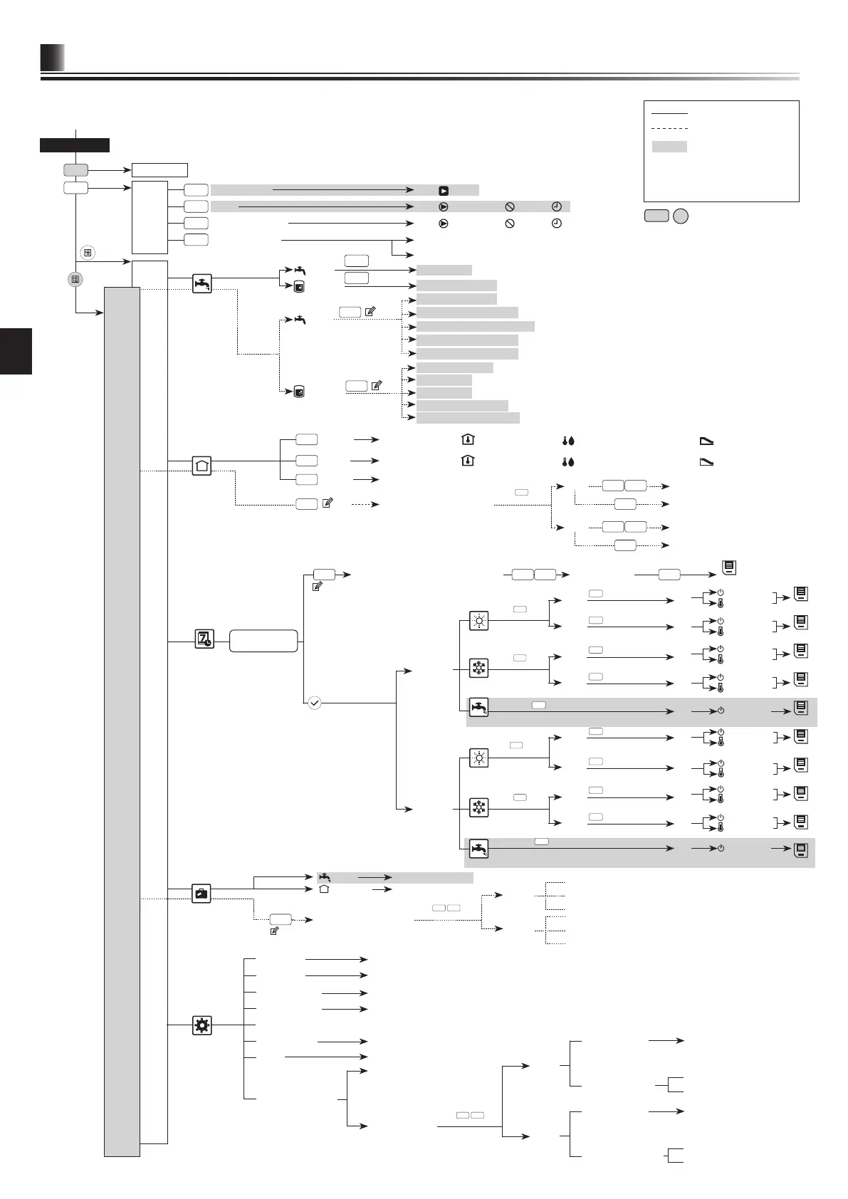
<Main Controller Menu Tree>
Unrestricted access
Installer only
Shaded items relate
to DHW functions.
These are only avail-
able if the system in-
cludes a DHW tank.
* Short press for 1 Zone system.
*
Main
menu
Main
menu
Main screen
Initial
Information
Option
F1
F4
Forced DHW
Hot Water (DHW)
Menu
Heating/Cooling
Holiday
mode
Initial
settings
Schedule timer
(Zone1)
(Zone2)
(
PREVIEW
)
(
EDIT
)
(
EDIT
)
(
EDIT
)
(
EDIT
)
DHW
DHW
Legionella
Legionella
Schedule2 period
preview screen
Schedule2 period setting screen1
Term setting
Schedule1/2 select
F4
Schedule timer preview
F4
Schedule timer preview
F4
Schedule timer preview
F4
Schedule timer preview
F4
Schedule timer preview
F4
Schedule timer preview
Zone1
Zone1
Zone2
Curve parameters
Curve parameters
Adjustment
Adjustment
Zone1
Zone2
Zone2
Day
select
Day
select
Day
select
Day
select
Day
select
Day
select
Time select
Temp.setting
Schedule1
Schedule2
Heating
Heating
DHW
DHW
ON (
)/OFF
DHW ON (
)/Prohibited ( )/Timer ( )
Heating/Cooling ON (
)/Prohibited ( )/Timer ( )
Energy monitor
Consumed electrical energy
Delivered energy
Normal/Eco
DHW max. temp.
Hot water temp.
Frequency
Start time
Max. operation time
Duration of max. temp.
DHW max. temp. drop
DHW max. operation time
DHW mode restriction
Active/Non active
Heating room temp.( ) / Heating ow temp.(
)
/ Heating compensation curve(
) / Cooling ow temp.
Heating room temp.(
) / Heating ow temp.(
)
/ Heating compensation curve(
) / Cooling ow temp.
Compensation curve preview
Compensation curve edit
F1
F1
F3
F1
F2
F2
F2
F2 F4
F3
F3
F3
F4
F4
F3
F4
F2
F4
F3
F4
F2
F3
F4
DHW
Date/Time yyyy/mm/dd/hh:mm
EN/FR/DE/SV/ES/IT/DA/NL/FI/NO/PT/BG/PL/CZ/RU/TR
OFF/Room/Tank/Room&Tank
OFF/ON
hh:mm/hh:mm AM/AM hh:mm
°C/°F
Room RC zone select
Sensor setting
Zone1
Zone1
Zone2
Holiday mode setting
Heating room temp.
Heating room temp.
Heating ow temp.
Heating ow temp.
Zone2
Sensor setting
Sensor setting
Select Time/Zone
Select Time/Zone
TH1/Main RC/
Room RC1-8/ “Time/
Zone”
TH1/Main RC/
Room RC1-8/ “Time/
Zone”
Time setting
Time setting
Sensor setting
Sensor setting
Language
Summer time
Temp. display
Contact number
Time display
°C/°F
Room sensor settings
Heating/
Cooling
Active/Non active
Active/Non active
Long press
(
EDIT
)
F1
F2
Zone1/2 select
F1
F2
Zone1/2 select
<Continued to next page.>
F1
Zone1/2 select
F1
Zone1/2 select
F1
Zone1/2 select
save
save
save
save
save
save
save
Cooling ow temp.
Cooling ow temp.
Time select
Temp.setting
Time select
Time select
Temp.setting
Time select
Temp.setting
Time select
Cooling
F4
Schedule timer preview
F4
Schedule timer preview
Zone1
Zone2
Day
select
Day
select
Time select
Temp.setting
F1
Zone1/2 select
save
save
Time select
Temp.setting
Cooling
F4
Schedule timer preview
F4
Schedule timer preview
Zone1
Zone2
Day
select
Day
select
Time select
Temp.setting
F1
Zone1/2 select
save
save
Time select
Temp.setting
Menu
DHW recharge

Related product manuals