EasyManua.ls Logo

Mitsubishi Electric MXZ-4E72VA-E1 - Page 22

Mitsubishi Electric MXZ-4E72VA-E1
134 pages
Print Icon
To Next Page IconTo Next Page
To Next Page IconTo Next Page
To Previous Page IconTo Previous Page
To Previous Page IconTo Previous Page
Loading...
22
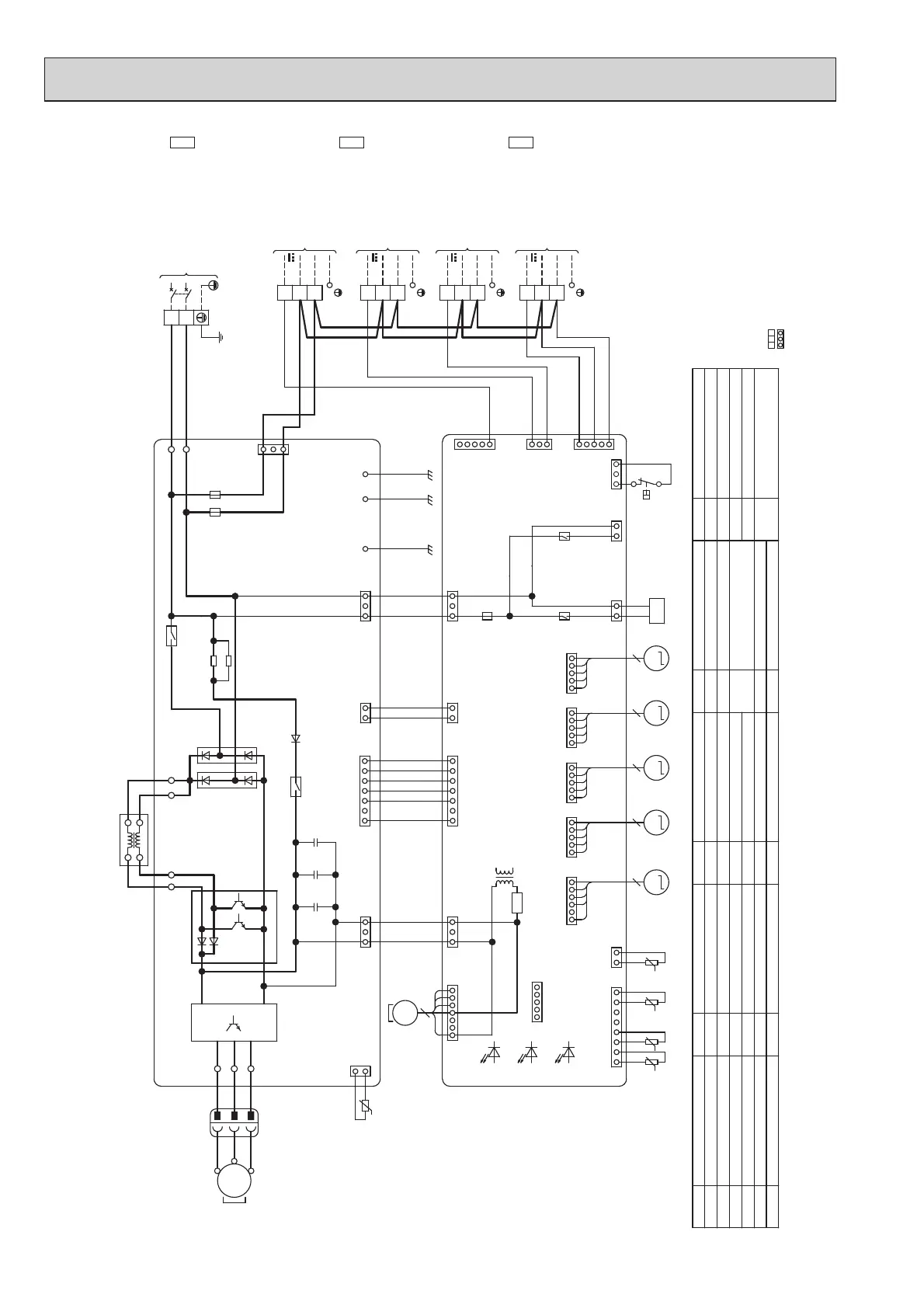
MXZ-4E72VA -
E1
MXZ-4E72VA -
ET1
MXZ-4E72VA -
ER1
21S4
°t
L
MS
3~
RT64
M
LEV R LEV C LEV ALEV B
RT62
RT61
X714
X712
F711
TO INDOOR
UNIT No.C
TO INDOOR
UNIT No.A
TO INDOOR
UNIT No.B
TB2
TB3
TB4
12-24V
~230V
~230V
12-24V
~230V
12-24V
RT68 RT65
MMM
MS
3~
MF
T801
BLK
WHT
RED
RED
WHT
BLK
U
V
W
MC
CB3
CB2
CB1
BOARD
POWER P.C.
OUTDOOR
OUTDOOR CONTROL P.C. BOARD
F1
F2
TB1
BREAKER
CIRCUIT
POWER SUPPLY
~/N 230V 50Hz
LEV D
M
TO INDOOR
UNIT No.D
~230V
12-24V
TB5
IC801
5
HPS
CN63H
13
1
6
CN797
CN714
1
2
CNAC
CN712
1
2
S1
S2
S3
S1
S2
S3
S1
S2
S3
1
5
CN741
D1
IC401
IC402
2
1
CN171
1
8
CNTH1
2
1
CNTH2
555
CNMC
1
551
1
7
1
CN792 CN791CN793
1
5
5
7
1
CNF1
CN702
1
3
CNDC
U
V
W
1
3
1
CN151
1
7
CNDC
CNAC2
CN794
5
1
CN701
2
1
1
2
CN152
IC501
IC411
TAB4
TAB6
TAB5
TAB3
X52C
3
5
CN601
1
3
CN611
1
1
CN621
5
TAB1
TAB2
3
1
CNAC1
3
TBE4 TBE2 TBE1
PTC1
PTC2
X65
L
N
5
S1
S2
S3
(BLU)
BLK
BLU
RED
BLK
BLU
WHT
BLK
BLU
ORN
BLK
BLK
BRN
BLK
BLK
(RED) (WHT)
(BLU)
(YLW)
BLK
BLK
BLK
BLK
BLK
BLK
BLK
BLK
BLU
RED
BLU
BLK
BLK
BLK
BLK
BLK
BLU
GRN/YLW
WHT
ORN
YLW
BLU
BLK
YLW
+++
LEV A~D,R
MC
MF
PTC1,2
RT61
RT62
X52C
X65
X712
X714
21S4
RELAY
RELAY
RELAY
RELAY
REVERSING VALVE
SOLENOID COIL
DEFROST THERMISTOR
FIN TEMP. THERMISTOR
AMBIENT TEMP. THERMISTOR
OUTDOOR HEAT EXCHANGER
TEMPERATURE THERMISTOR
TRANSFORMER
TERMINAL BLOCK
RT64
RT65
RT68
T801
TB1~5
FAN MOTOR
COMPRESSOR
EXPANSION VALVE COIL
DISCHARGE TEMP. THERMISTOR
SMOOTHING CAPACITOR
DIODE
FUSE(T6.3AL250V)
FUSE(T6.3AL250V)
FUSE(T3.15AL250V)
HIGH PRESSURE SWITCH
CB1~3
D1
F1
F2
F711
HPS
CIRCUIT PROTECTION
NOTES:
1.About the indoor side electric
wiring refer to the indoor unit
electric wiring diagram for
servicing.
2.Use copper conductors only
(For field wiring).
3.Symbols below indicate.
:Terminal block
:Connector
SYMBOL
NAME
SYMBOL SYMBOL SYMBOL
NAME NAME NAME
SYMBOL
NAME
DIODE BRIDGE
POWER FACTOR CONTROLLER
POWER MODULE
POWER DEVICE
REACTOR
LED
IC401,402
IC411
IC501
IC801
L
LED1~3
LED3
LED2
LED1
OBH723G

Related product manuals