EasyManua.ls Logo

Mitsubishi Electric MXZ-4E72VA-E1 - Page 23

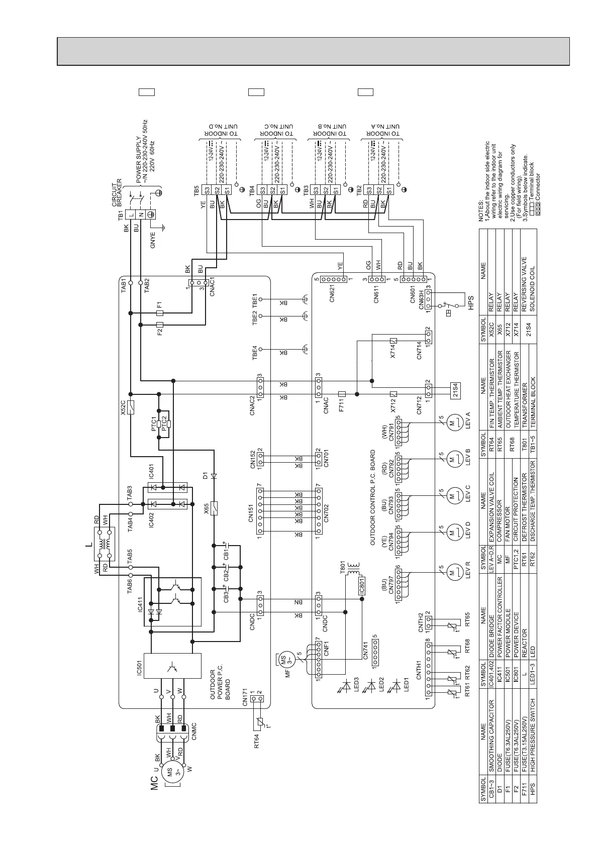
Mitsubishi Electric MXZ-4E72VA-E1
134 pages
Print Icon
To Next Page IconTo Next Page
To Next Page IconTo Next Page
To Previous Page IconTo Previous Page
To Previous Page IconTo Previous Page
Loading...
23
MXZ-4E72VA -
E2
MXZ-4E72VA -
ET2
MXZ-4E72VA -
ER2
OBH723G

Related product manuals