EasyManua.ls Logo

Mitsubishi MELSEC A1SX40 - Page 110

Mitsubishi MELSEC A1SX40
149 pages
Print Icon
To Next Page IconTo Next Page
To Next Page IconTo Next Page
To Previous Page IconTo Previous Page
To Previous Page IconTo Previous Page
Loading...
i
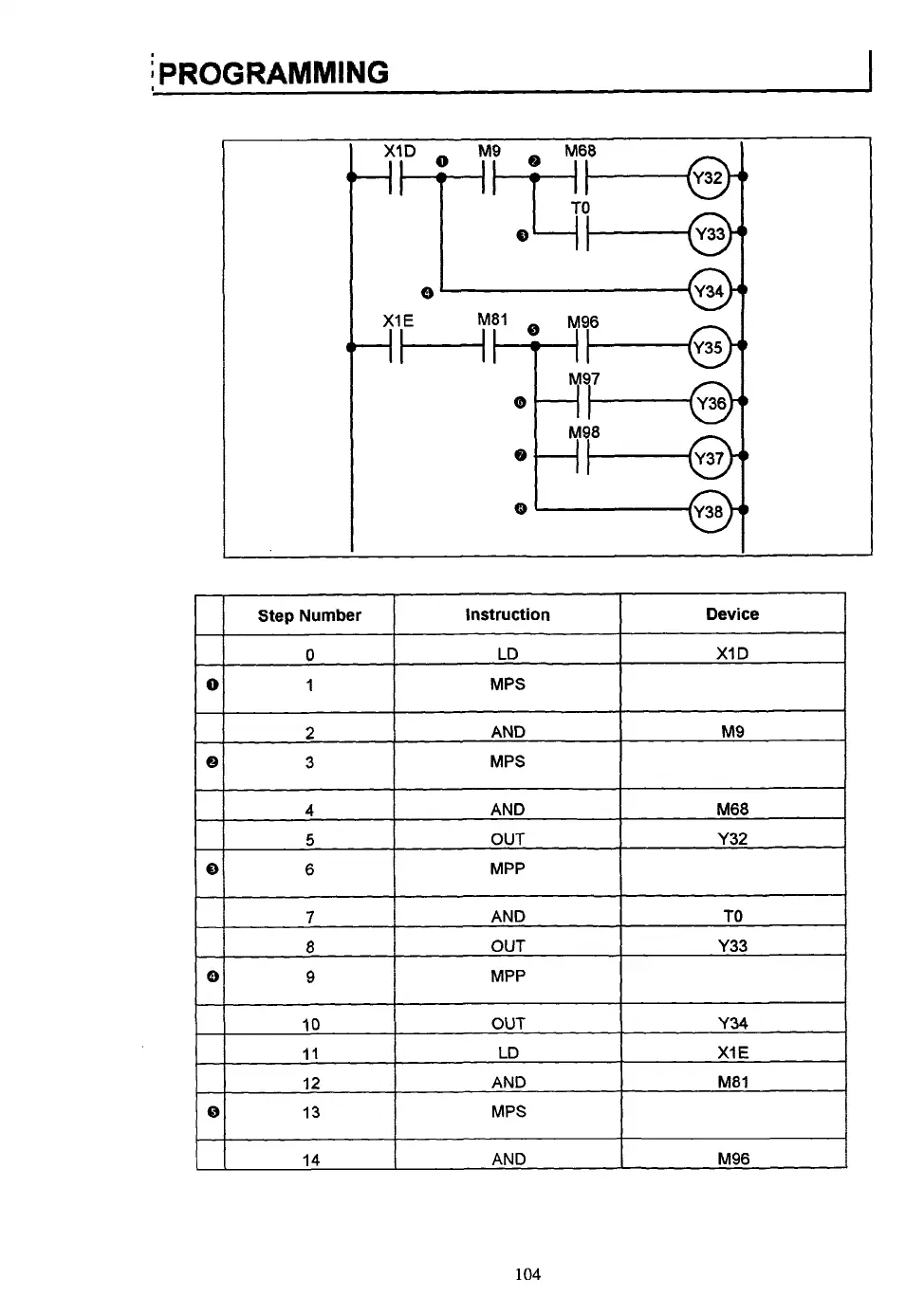
PROGRAMMING
8-
Q
II
It
M98
Step Number Instruction
0
LD
0
1 MPS
2 AND
0
3 MPS
Device
XI
D
M9
0
4 AND M68
5
OUT
Y32
6
MPP
104
8
0
7
AND
TO
8
OUT
Y33
9
MPP
10
OUT
Y34
11 LD
XI
E
12 AND M81
13 MPS
I
14
AND
M96

Table of Contents

Related product manuals