EasyManua.ls Logo

Mitsubishi MELSEC A1SX40 - Page 129

Mitsubishi MELSEC A1SX40
149 pages
Print Icon
To Next Page IconTo Next Page
To Next Page IconTo Next Page
To Previous Page IconTo Previous Page
To Previous Page IconTo Previous Page
Loading...
I
PROGRAMMING
1
I
~~~~ ~~ ~ ~
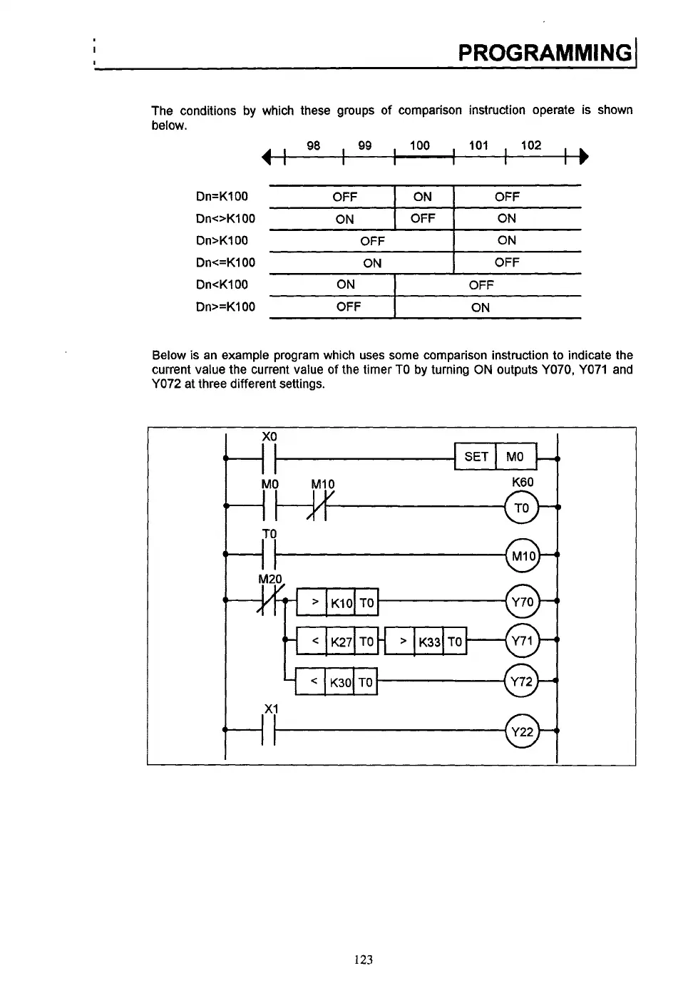
Dn=KlOO
OFF
Dn-Kl 00
ON
The conditions by which these groups of comparison instruction operate is shown
below.
4;
98
I
99
I
100
I
101 102
,
I I I
I
I
ON
OFF
OFF
ON
Dn>KlOO
OFF
Dnc=Kl 00
ON
Below is an example program which uses
some
comparison instruction to indicate the
current value the current value
of
the timer
TO
by turning
ON
outputs Y070, YO71 and
YO72 at three different settings.
ON
OFF
123
DneK100
ON
Dn>=KlOO
OFF
OFF
ON

Table of Contents

Related product manuals