EasyManua.ls Logo

Mitsubishi SRC288HENF-L - Page 53

Mitsubishi SRC288HENF-L
68 pages
To Next Page IconTo Next Page
To Next Page IconTo Next Page
To Previous Page IconTo Previous Page
To Previous Page IconTo Previous Page
Loading...
1-53
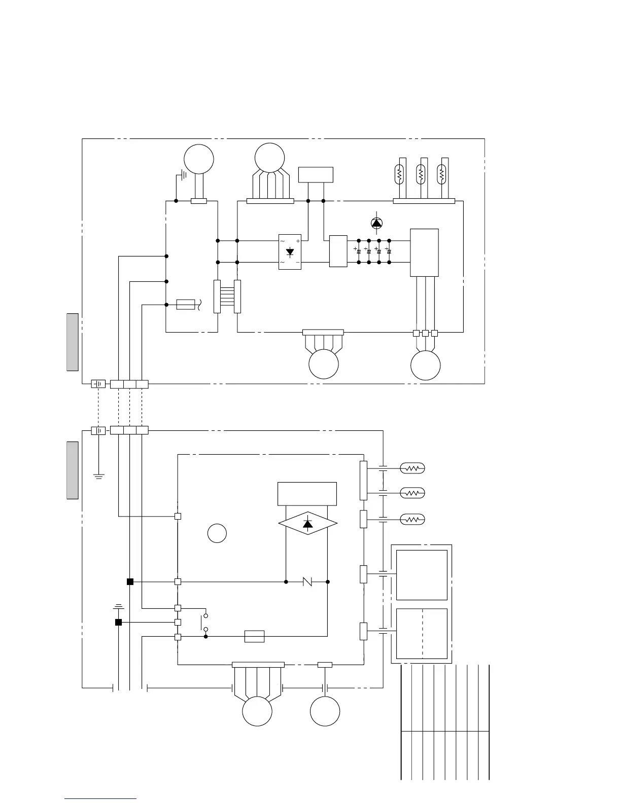
Model SRK502Z-L
Power source
1 phase 220/240V 50Hz
EEV
CNU
CNM
CNE CNH
Back up
switch
Wireless
R-Amp
Display
CNF CNG
Th
3
Th
2
Th
1
Th
7
Th
6
Th
5
ZNR
52C
Printed circuit board
Printed circuit
board
Printed circuit
board
Power transistor
Fuse
250V 25A
WH
Y
BL
Y/GN
LB
BR
RD
WH
BK
RD
CNB
CNB
GY BL
CNA
CNE
DS
IC2
RL
CNA
WH
RD
WH
BK
U
V
W
PN
OR
RE
WH
BK
52C-4 52C-3
52C
F
250V
3.15A
SJ
BK
RD
3
4
5
2
1
( )
1
2
3
1
2
3
20S
FMo
CM
FMI
SM
Indoor unit Outdoor unit
Color symbol
BK Black
BL Blue
BR Brown
Y Yellow
RD Red
LB Light blue
WH White
Y/GN Yellow/Green

Related product manuals