EasyManua.ls Logo

MNT Reform - Power

MNT Reform
37 pages
Print Icon
To Next Page IconTo Next Page
To Next Page IconTo Next Page
To Previous Page IconTo Previous Page
To Previous Page IconTo Previous Page
Loading...
   
 
1 2 3 4 5 6
1 2 3 4 5 6
A
B
C
D
A
B
C
D
Date: 2018-06-05
KiCad E.D.A. kicad 5.0.0-rc2+dfsg1-3
Rev: 0.4Size: A4
Id: 2/7
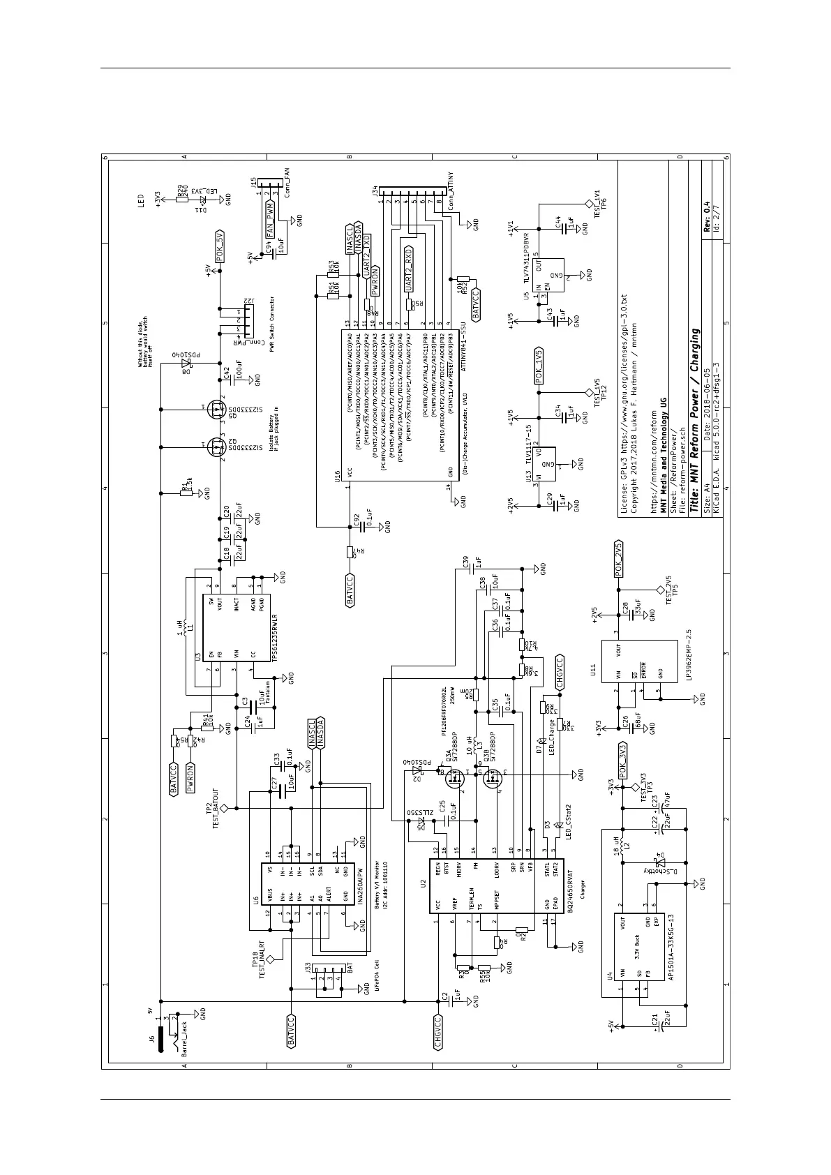
Title: MNT Reform Power / Charging
File: reform-power.sch
Sheet: /ReformPower/
MNT Media and Technology UG
https://mntmn.com/reform
Copyright 2017,2018 Lukas F. Hartmann / mntmn
License: GPLv3 https://www.gnu.org/licenses/gpl-3.0.txt
PGND
1
SW
2
VIN
3
CC
4
AGND
5
FB
6
EN
7
INACT
8
VOUT
9
U3
TPS61235RWLR
VIN
1
VOUT
2
GND
3
FB
4
SD
5
EXP
6
U4
AP1501A-33K5G-13
L1
1 uH
C3
10uF
GND
GND
C18
22uF
C19
22uF
C20
22uF
GND
GND
1
2
3
J6
Barrel_Jack
GND
C21
22uF
L2
18 uH
D4
D_Schottky
C22
22uF
C23
47uF
+2V5
C26
68uF
GND
POK_2V5
C28
33uF
GND
TP5
TEST_2V5
TP3
TEST_3V3
GND
C29
1uF
GND
POK_1V5
C34
1uF
GND
+1V5
TP12
TEST_1V5
SD
1
VIN
2
VOUT
3
ERROR
4
GND
5
U11
LP3962EMP-2.5
+3V3
GND
+2V5
GND
1
VO
2
VI
3
U13 TLV1117-15
GND
C24
1uF
GND
C27
10uF
C33
0.1uF
GND
Battery V/I Monitor
Tantalum
IN+
1
IN+
2
IN+
3
A1
4
A0
5
GND
6
ALERT
7
SDA
8
SCL
9
VS
10
GND
11
VBUS
12
NC
13
IN-
14
IN-
15
IN-
16
U6
INA260AIPW
GND
I2C Addr: 1001110
+5V
PWRON
5V
3.3V Buck
R1
1.5k
GND
+3V3+5V
1
2 3
Q2
Si2333DDS
TP2
TEST_BATOUT
Isolate Battery
if jack plugged in
1
23
Q5
Si2333DDS
VCC
1
MPPSET
2
STAT1
3
TS
4
STAT2
5
VREF
6
TERM_EN
7
VFB
8
SRN
9
SRP
10
GND
11
REGN
12
LODRV
13
PH
14
HIDRV
15
BTST
16
EPAD
17
U2
BQ24650RVAT
GND
L3
10 uH
C42
100uF
GND
GND
C43
1uF
GND
C44
1uF
GND
TP6
TEST_1V1
GND
+1V5 +1V1
1
2
3
J15
Conn_FAN
GND
+5V
FAN_PWM
D8
PDS1040
PWR Switch Connector
Without this diode,
battery would switch
itself off
LiFePO4 Cell
Charger
D7
LED_Charge
D3
LED_CStat2
R9
330
R7
330
CHGVCC
CHGVCC
C2
1uF
GND
R4
0
R55
10k
C39
1uF
C35
0.1uF
R8
3.6k
R10
4.7k
GND
BATVCC
C36
0.1uF
C37
0.1uF
GND
C38
10uF
R5
20m
D2
PDS1040
C25
0.1uF
D5
ZLLS350
1
2
7
8
Q3A
Si7288DP
3
4
5
6
Q3B
Si7288DP
R29
240
D11
LED_3V3
+3V3
GND
LED
250mW
PF1206FRF070R02L
1
2
3
4
J33
BAT
INASDA
INASCL
INASCL
INASDA
BATVCC
GND
C92
0.1uF
GND
R47
0
VCC
1
(PCINT8/CLKI/XTAL1/ADC11)PB0
2
(PCINT9/INT0/XTAL2/ADC10)PB1
3
(PCINT11/dW/RESET/ADC9)PB3
4
(PCINT10/RXD0/ICP2/CLKO/TOCC7/ADC8)PB2
5
(PCINT7/SS/TXD0/ICP1/TOCC6/ADC7)PA7
6
(PCINT6/MOSI/SDA/XCK1/TOCC5/ACO1/ADC6)PA6
7
(PCINT5/MISO/TXD1/T2/TOCC4/ACO0/ADC5)PA5
8
(PCINT4/SCK/SCL/RXD1/T1/TOCC3/AIN11/ADC4)PA4
9
(PCINT3/SCK/XCK0/T0/TOCC2/AIN10/ADC3)PA3
10
(PCINT2/SS/RXD0/TOCC1/AIN01/ADC2)PA2
11
(PCINT1/MOSI/TXD0/TOCC0/AIN00/ADC1)PA1
12
(PCINT0/MISO/AREF/ADC0)PA0
13
GND
14
U16
ATTINY841-SSU
R53
10k
R51
10k
PWRON
R42
0
R41
10k
GND
GND
(Dis-)Charge Accumulator, UVLO
UART2_TXD
UART2_RXD
1
2
3
4
5
6
7
8
J34
Conn_ATTINY
R50
0
R48
0
TP18
TEST_INALRT
R52
10k
BATVCC
IN
1
GND
2
EN
3
OUT
5
U5 TLV74311PDBVR
BATVCC
R54
0
POK_3V3
POK_5V
C94
10uF
R2
0
1
2
3
4
J22
Conn_PWR
R3
0
    