EasyManua.ls Logo

Modular 6 Series - 10 Tablas de Despieces de Partes Funcionales; 10 Éclatés des Parties Fonctionnelles Mod.; 10 Detailzeichnungen der Betriebsteile Mod.; 60;30 Frg E 60;60 Frg

Default Icon
Print Icon
To Next Page IconTo Next Page
To Next Page IconTo Next Page
To Previous Page IconTo Previous Page
To Previous Page IconTo Previous Page
Loading...
22
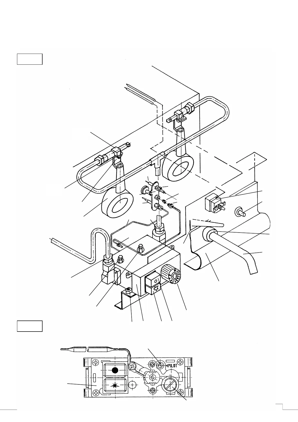
10. TAVOLA ESPLOSI PARTI FUNZIONALI MOD. 60/30 FRG E 60/60 FRG - EXPLODED FUNCTIONAL PARTS TABLES MOD. 60/30 FRG E 60/60
FRG - DETAILZEICHNUNGEN DER BETRIEBSTEILE MOD. 60/30 FRG UND 60/60 FRG - ÉCLATÉS DES PARTIES FONCTIONNELLES MOD. 60/30
FRG E 60/60 FRG - TABLAS DE DESPIECES DE PARTES FUNCIONALES MOD. 60/30 FRG E 60/60 FRG
14
32
31
29
Mod. 60/30 FRG
Mod. 60/60 FRG
28
FIG. 1
FIG. 2
30
27
9
4
5
13
6
24
23
22
21
1
26
25
8
20
18
19
3
2
17
12
10
12
11
PIL
MIN
6

Table of Contents

Other manuals for Modular 6 Series

Related product manuals