EasyManua.ls Logo

Mono Eco FG159

Mono Eco FG159
104 pages
To Next Page IconTo Next Page
To Next Page IconTo Next Page
To Previous Page IconTo Previous Page
To Previous Page IconTo Previous Page
Loading...
Eco Convection Ovens | 4/5/7/10-Tray | Steam Installation and Operation Manual
84
MONO FG1BX-UK-MAN-0100 | Rev. C23 (July 2023)
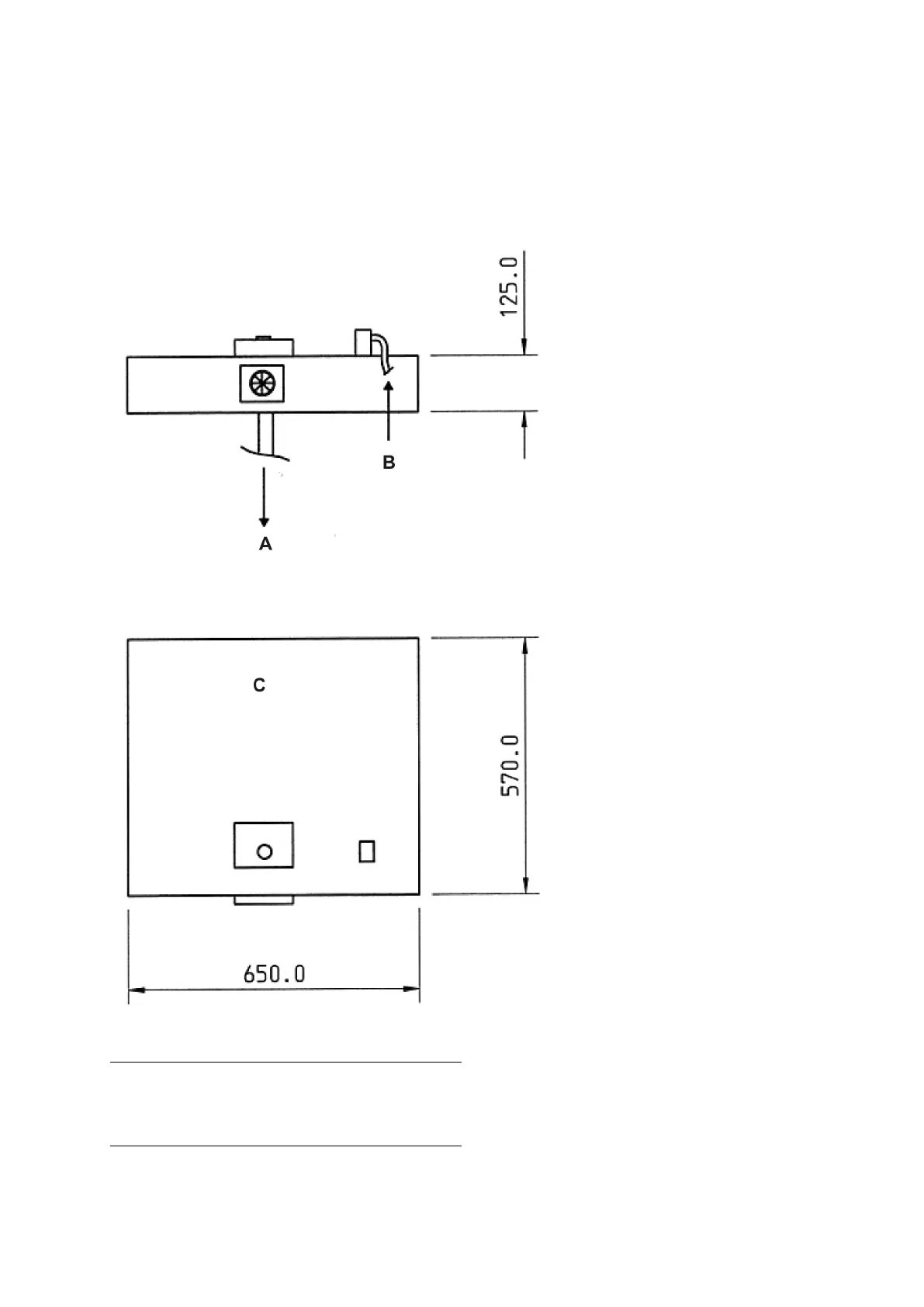
Dimensions (condenser unit)
Figure 40: Dimensions of a condenser unit
A. Water out
B. Water in
C. Rear of the oven

Related product manuals