EasyManua.ls Logo

Monogram 15900-012 - Page 49

Monogram 15900-012
89 pages
Print Icon
To Next Page IconTo Next Page
To Next Page IconTo Next Page
To Previous Page IconTo Previous Page
To Previous Page IconTo Previous Page
Loading...
Monogram Sanitation
COMPONENT MAINTENANCE MANUAL
PN 15900-012 Series
38-31-07
Jan 10/95
(k) Install new decal (45), if removed.
(l) Install motor (35) on adapter plate (50) using screws (40).
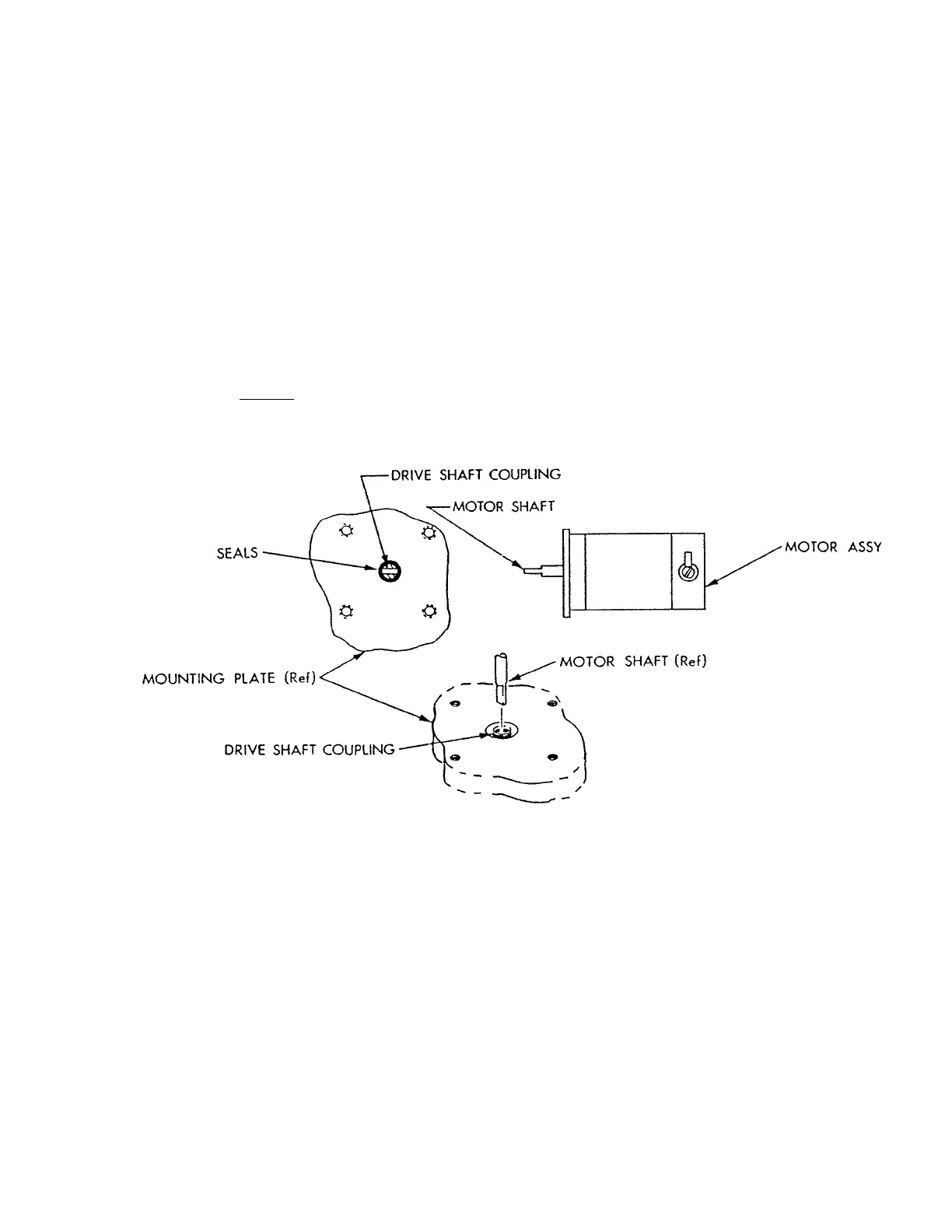
(m) Install motor and adapter assembly (10) on mounting plate (215) by inserting motor
shaft into drive shaft coupling (see Figure 703), secure with nut (15), washers (20),
stud (25) and bolts (30). Lockwire in accordance with MS33540, double twist method.
NOTE: Motor shaft should make full contact with driving shaft coupling.
(n) Install new decal (5), if removed.
Page 707
Motor and Adapter Assembly Installation
Figure 702

Related product manuals