EasyManua.ls Logo

MOODY Eclipse 43 - Page 77

Default Icon
118 pages
Print Icon
To Next Page IconTo Next Page
To Next Page IconTo Next Page
To Previous Page IconTo Previous Page
To Previous Page IconTo Previous Page
Loading...
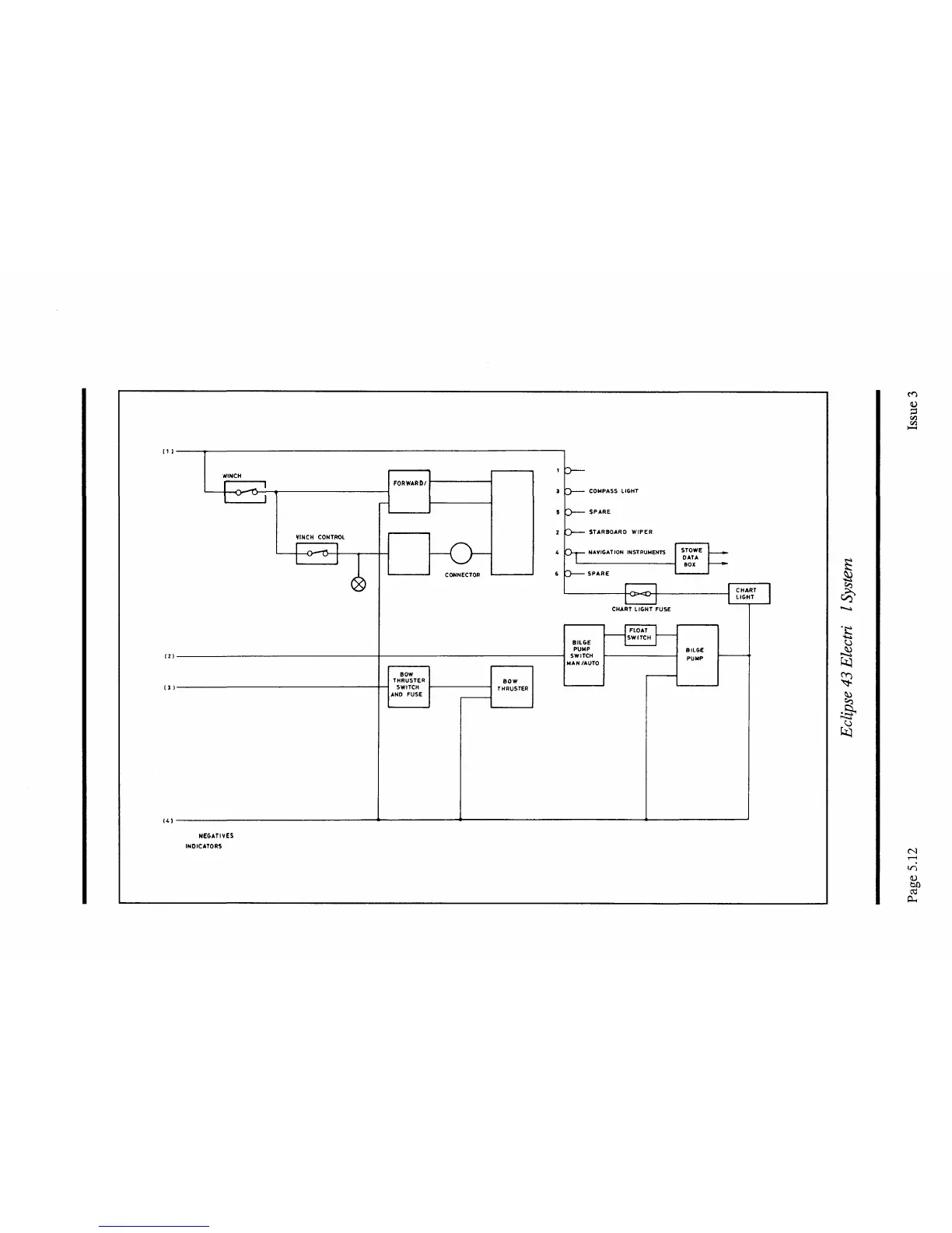
WINCH
POWER
0
1>-
V
VINCH
CONTROL
—0—0—
1
FORWARD/
REVERSE
SWITCH
WINCH
HAND
CONTROL
WINCH DECK
WINCH
POWER
ON
PORT WIPER
TO TRANSDUCERS
TO DAT* DISPLAYS
NOTE: ALL
NEGATIVES
TO EARTH VIA BUSS BARS
INDICATORS
AND C/B> NOT SHOWN
«U
8
&

Table of Contents

Related product manuals