EasyManua.ls Logo

Motorola DSP56367 - TCCR Tx High Frequency Clock Divider (TFP3-TFP0) - Bits 14-17

Motorola DSP56367
524 pages
Print Icon
To Next Page IconTo Next Page
To Next Page IconTo Next Page
To Previous Page IconTo Previous Page
To Previous Page IconTo Previous Page
Loading...
Enhanced Serial Audio Interface (ESAI)
ESAI Programming Model
MOTOROLA DSP56367 10-13
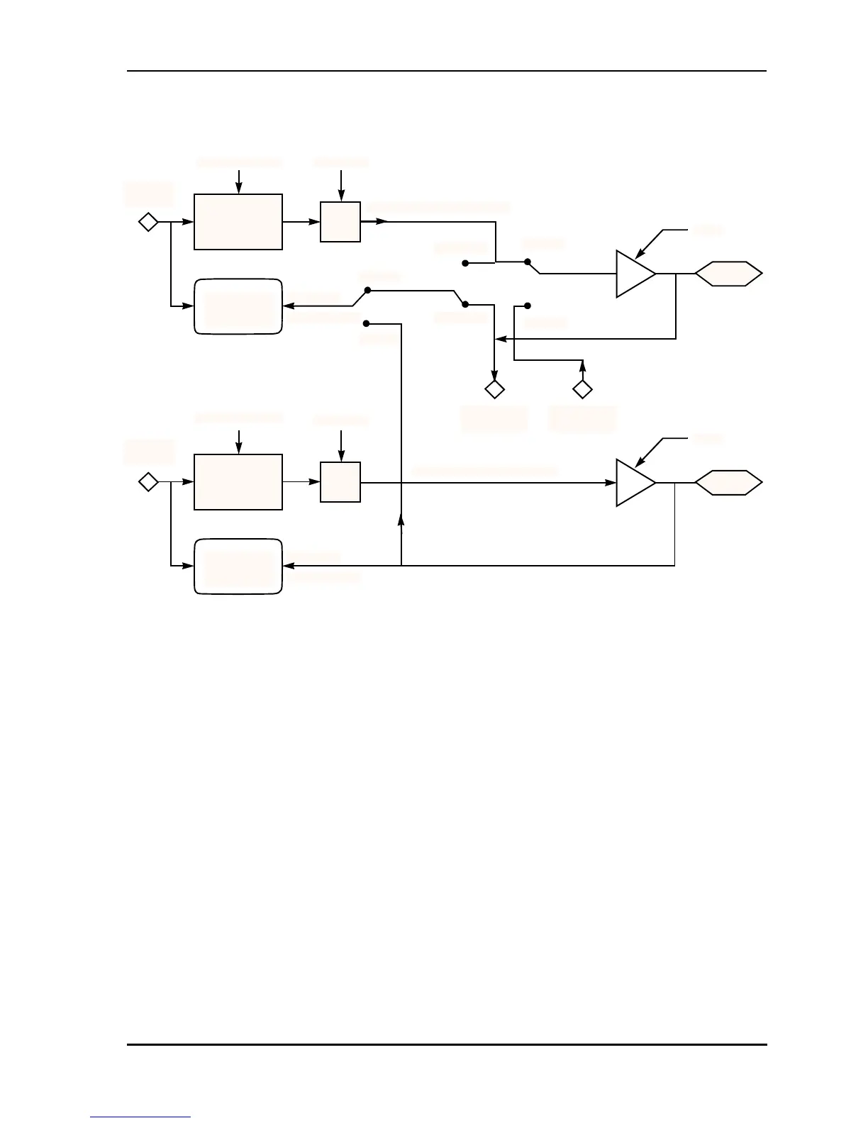
Figure 10-4 ESAI Frame Sync Generator Functional Block Diagram
10.3.1.4 TCCR Tx High Frequency Clock Divider (TFP3-TFP0) - Bits 14–17
The TFP3–TFP0 bits control the divide ratio of the transmitter high frequency clock to the
transmitter serial bit clock when the source of the high frequency clock and the bit clock is the
internal DSP clock. When the HCKT input is being driven from an external high frequency
clock, the TFP3-TFP0 bits specify an additional division ratio in the clock divider chain. See
Table 10-3 for the specification of the divide ratio. The ESAI high frequency clock generator
functional diagram is shown in Figure 10-3.
FRAME SYNC
TRANSMIT
FRAME SYNC
RECEIVE
RX WORD
CLOCK
TX WORD
CLOCK
RDC0 - RDC4
TDC0 - TDC4
RECEIVER
FRAME RATE
DIVIDER
TRANSMITTER
FRAME RATE
DIVIDER
RECEIVE
CONTROL
LOGIC
TRANSMIT
CONTROL
LOGIC
RFSL
TFSL
SYNC
TYPE
SYNC
TYPE
SYN=0
SYN=1
INTERNAL RX FRAME CLOCK
RFSD=1
SYN=1
RFSD=0
SYN=0
RFSD
FSR
TFSD
FST
INTERNAL TX FRAME CLOCK
FLAG1 IN
(SYNC MODE)
FLAG1OUT
(SYNC MODE)

Table of Contents