EasyManua.ls Logo

MPS MP1584 - Block Diagram; Operation

Default Icon
17 pages
Print Icon
To Next Page IconTo Next Page
To Next Page IconTo Next Page
To Previous Page IconTo Previous Page
To Previous Page IconTo Previous Page
Loading...
MP1584 – 3A, 1.5MHz, 28V STEP-DOWN CONVERTER
MP1584 Rev. 1.0 www.MonolithicPower.com 7
8/8/2011 MPS Proprietary Information. Unauthorized Photocopy and Duplication Prohibited.
© 2011 MPS. All Rights Reserved.
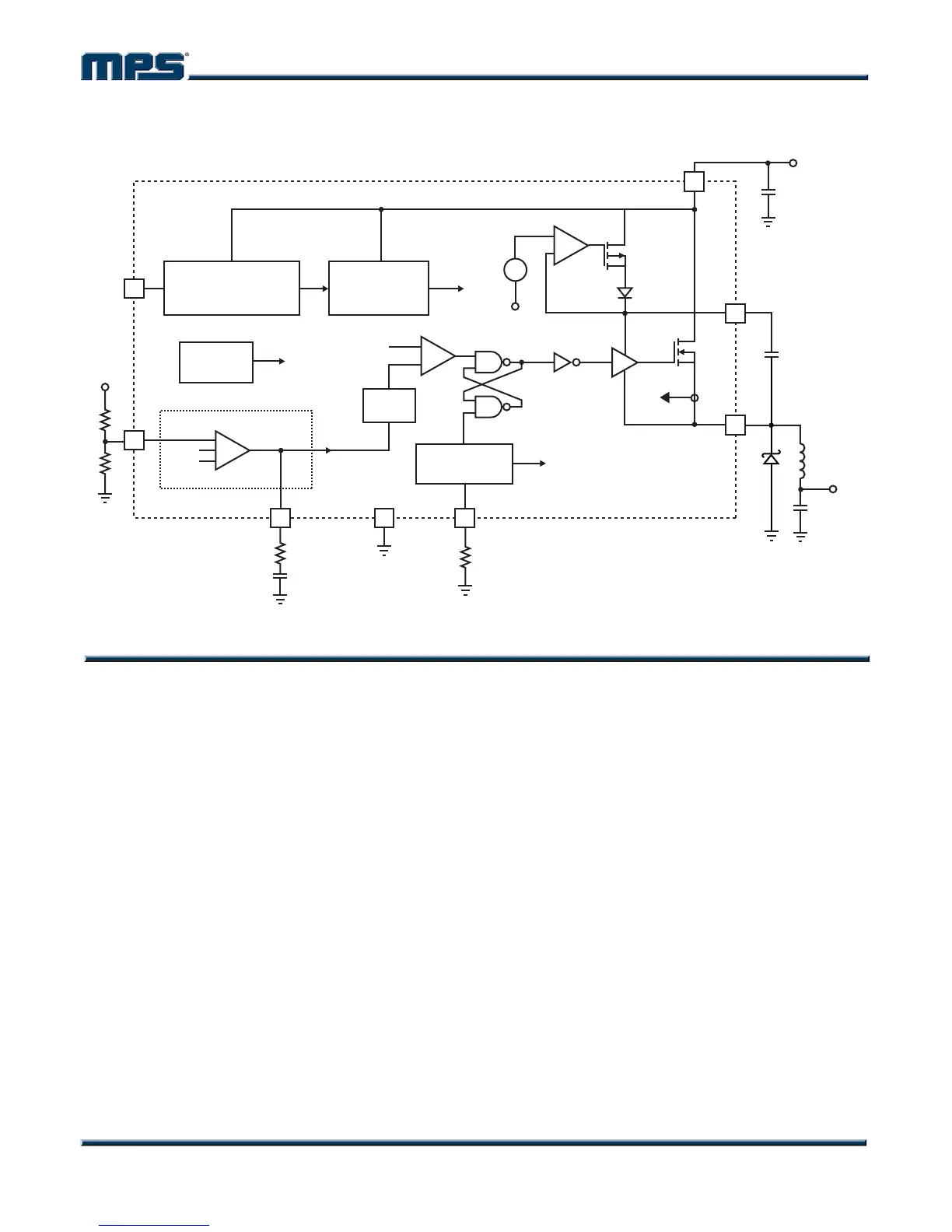
BLOCK DIAGRAM
--
+
--
+
1.5ms SS
Gm Error Amp
SS
2.6V
5V
I
SW
COMP
I
SW
VIN
BST
SW
GND
FREQ
COMP
FB
EN
SS
0V8
REFERENCE UVLO/
THERMAL
SHUTDOWN
INTERNAL
REGULATORS
OSCILLATOR
--
+
SW
--
+
Level
Shift
CLK
V
OUT
V
IN
V
OUT
Figure 1—Functional Block Diagram
OPERATION
The MP1584 is a variable frequency,
non-synchronous, step-down switching
regulator with an integrated high-side high
voltage power MOSFET. It provides a highly
efficient solution with current mode control for
fast loop response and easy compensation. It
features a wide input voltage range, internal
soft-start control and precision current limiting.
Its very low operational quiescent current
makes it suitable for battery powered
applications.
PWM Control
At moderate to high output current, the MP1584
operates in a fixed frequency, peak current
control mode to regulate the output voltage. A
PWM cycle is initiated by the internal clock. The
power MOSFET is turned on and remains on
until its current reaches the value set by the
COMP voltage. When the power switch is off, it
remains off for at least 100ns before the next
cycle starts. If, in one PWM period, the current
in the power MOSFET does not reach the
COMP set current value, the power MOSFET
remains on, saving a turn-off operation.