EasyManua.ls Logo

MSD Ignition DIS-2 - Page 12

MSD Ignition DIS-2
16 pages
Print Icon
To Next Page IconTo Next Page
To Next Page IconTo Next Page
To Previous Page IconTo Previous Page
To Previous Page IconTo Previous Page
Loading...
12 INSTALLATION INSTRUCTIONS
AUTOTRONIC CONTROLS CORPORATION • 1490 HENRY BRENNAN DR., EL PASO, TEXAS 79936 • (915) 857-5200 • FAX (915) 857-3344
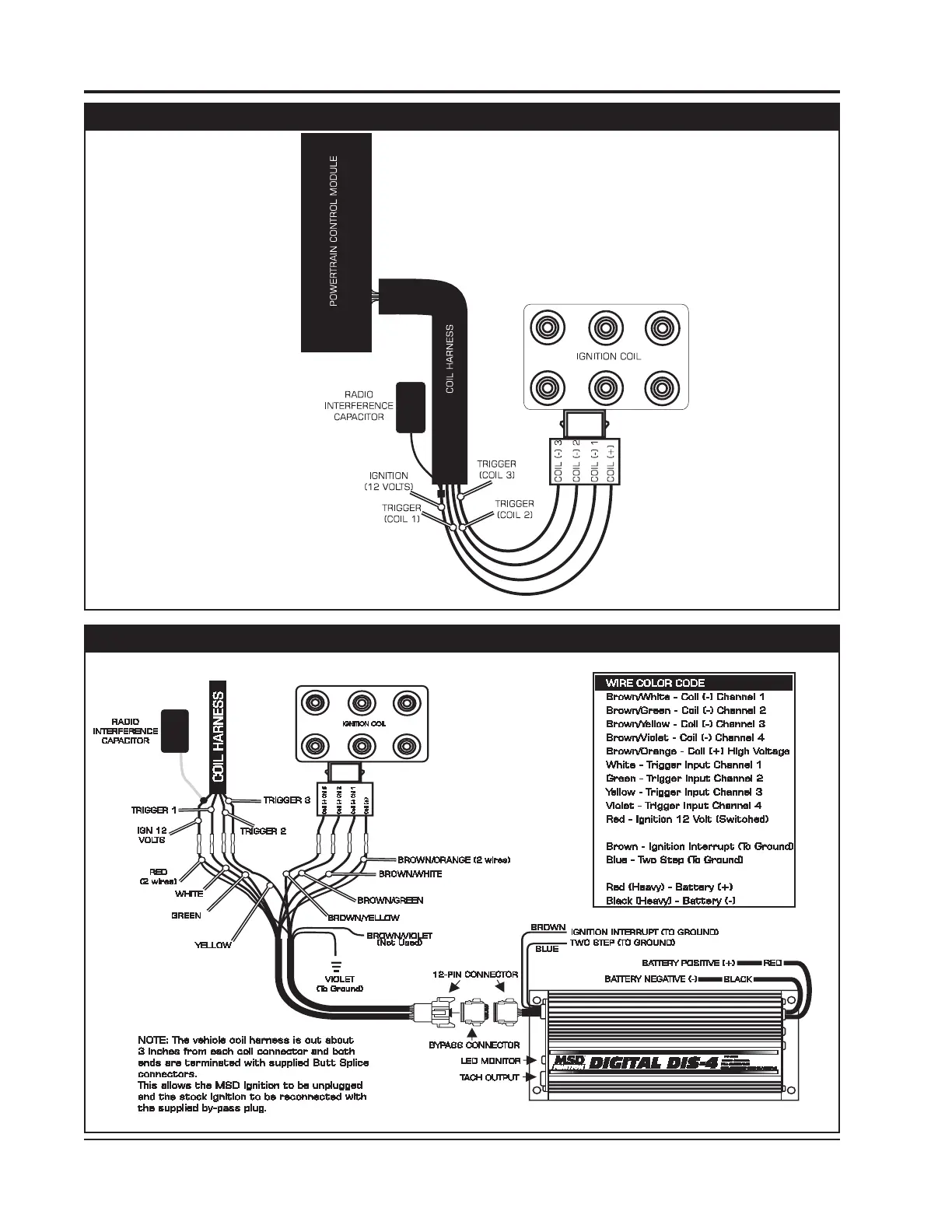
Figure 13 GENERAL DIS WIRING Typical 6-cylinder application with DIS-4 Ignition
Figure 12 GENERAL DIS WIRING Typical 6-cylinder application (factory wiring)

Related product manuals