EasyManua.ls Logo

MSD Powersports Launch Master - Page 2

Default Icon
4 pages
Print Icon
To Next Page IconTo Next Page
To Next Page IconTo Next Page
To Previous Page IconTo Previous Page
To Previous Page IconTo Previous Page
Loading...
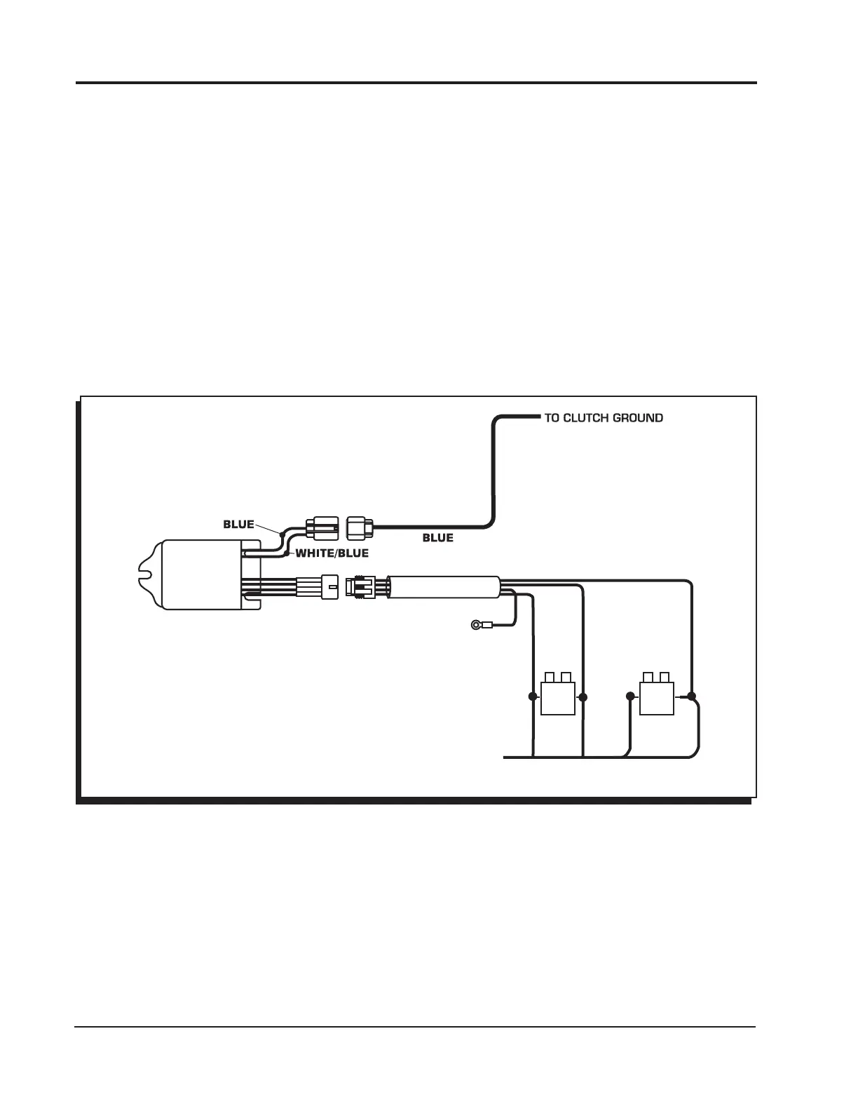
Figure 1 Wiring the Launch Master.
1. Locate stock coils.
2. The two tan wires connect to the negative side of the stock coils via butt connectors or
ring lugs supplied with PN 4351.
3. The red wire connects to one of the positive leads for the stock coil.
4. Turn the power on at this point to test to see if the wiring is correct. Ground the Blue
launch wire. If the LED turns on with the Blue wire grounded, the correct connections
were made. If the LED does not turn on, check the connection to the stock coils.
Note: Refer to your service manual for coil accessibility.
LAUNCH
MASTER
PN 4351
COIL COIL
(-)
(-)
(+)
(+)
TAN
TAN
RED
BLACK
GROUND
FOR 12V ACTIVATED LAUNCH
MOVE THE BLUE WIRE TO ALIGN
WITH THE WHITE/BLUE WIRE ON
THE CONTROLLER (FIGURE 2).
FACTORY HARNESS
2 INSTALLATION INSTRUCTIONS
MSD POWERSPORTS
WWW.MSDPOWERSPORTS.COM (915) 858-3365 FAX (915) 858-3496