EasyManua.ls Logo

MSI H97 PC Mate - Connectors Quick Guide

MSI H97 PC Mate
102 pages
To Next Page IconTo Next Page
To Next Page IconTo Next Page
To Previous Page IconTo Previous Page
To Previous Page IconTo Previous Page
Loading...
Chapter 1
1-7 Getting Started
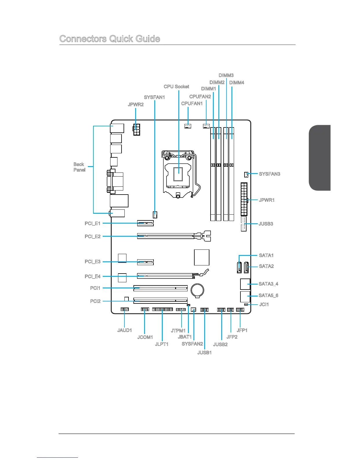
Connectors Quick Guide
CPUFAN1
JFP1
JCI1
PCI_E1
PCI_E2
PCI_E3
PCI_E4
JFP2
JPWR1
SATA1
SATA3_4
SATA5_6
SYSFAN2
JPWR2
CPU Socket
Back
Panel
SYSFAN3
JUSB1
JUSB2
DIMM4
DIMM3
DIMM2
DIMM1
CPUFAN2
JUSB3
SYSFAN1
SATA2
JBAT1
JTPM1
JLPT1
JCOM1
JAUD1
PCI1
PCI2

Table of Contents

Related product manuals