EasyManua.ls Logo

MSW MSW-M-BP-2000 - Page 45

MSW MSW-M-BP-2000
Print Icon
To Next Page IconTo Next Page
To Next Page IconTo Next Page
To Previous Page IconTo Previous Page
To Previous Page IconTo Previous Page
Loading...
Abyste zamezili zpětnému vlévání se vody do trupu lodi, když není
čerpadlo v provozu, umístěte průchozí spojku minimálně 12’’ nad čárou
ponoru.
B. Pokud je průchozí spojka 11/8’’ montována na zádi, musí být osazena
v takové výšce, aby v žádném ípadě nedošlo k potopení spojky
pod vodní hladinu.
8. Abyste předešli elektrolýze a korozi elektrických vodičů, musí být všechny
koncovky vodičů a připojovací kontakty bezpodmínečně utěsněny odolným
těsnicím prostředkem, který je určen pro mořské prostředí, a musí být
umístěny nad nejvyšší možnou čárou ponoru.
9. Během montáže čerpadla používejte vodiče s průřezem 16 AWG
[1,31 mm
2
]. Pokud je ale vzdálenost čerpadla od zdroje napájení
(akumulátoru) větší, než 20’’, je nutné použít vodič s průřezem 14 AWG
[2,08 mm
2
]. Použití vodiče menšího průřezu působí nežádoucí ohřívání se
vodičů, pokles napětí a také snížení výkonu čerpadla.
10. Pro ochranu elektrických vodičů a automatického vypínače
před případným přetížením nainstalujte na kladném vodiči (+) akumulátoru
pojistku. Zkontrolujte, zda jste použili pojistku správné hodnoty.
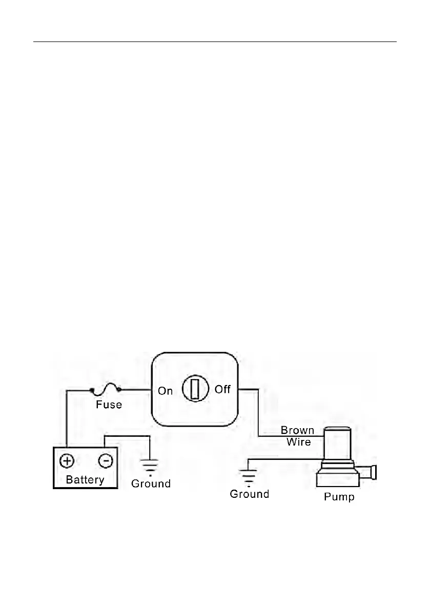
11. Schéma zapojení zařízení
A. Ruční obsluha zařízení
Ovládání čerpadla spočívá pouze v jeho ručním zapínání nebo vypínání.
V tomto režimu je nutné kontrolovat práci čerpadla, aby po vyčerpá
vody nebylo příliš dlouho v provozu v režimu nasucho.
B. Automatická práce zařízení
Automatické vypínání čerpadla po vyčerpání vody prodlužuje životnost
čerpadla a akumulátoru. Pokud bude použit panelopřepínač, může
tento pracovní režim umožňovat také ruč ovládání čerpadla. Tyto

Table of Contents

Related product manuals