EasyManua.ls Logo

MSW MSW-M-BP-2000 - Tisztítás, Karbantartás

MSW MSW-M-BP-2000
Print Icon
To Next Page IconTo Next Page
To Next Page IconTo Next Page
To Previous Page IconTo Previous Page
To Previous Page IconTo Previous Page
Loading...
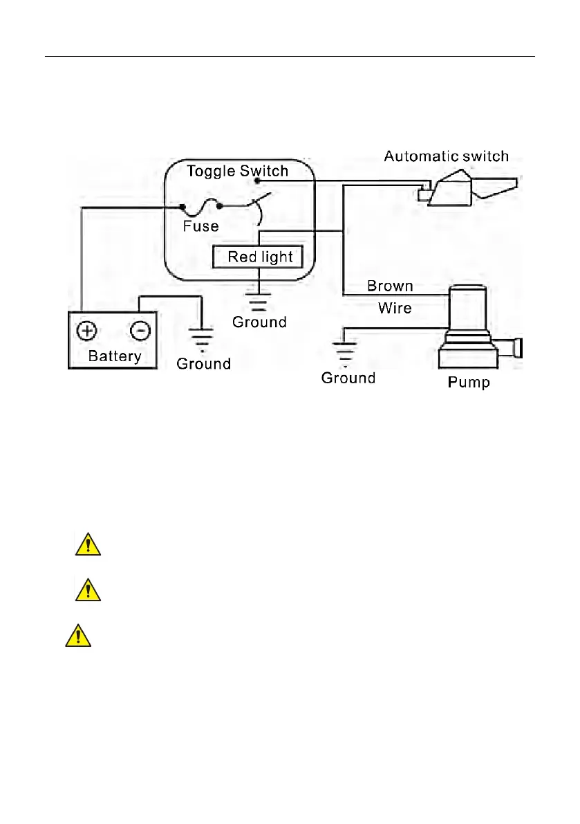
panelkapcsoló telepítésével lehetővé teszi a szivattyú kézi vezérlését is.
Az ilyen kapcsolók „fail-safe” funkcióval vannak ellátva, amely
automatikusan visszaállítja a kapcsolót „OFF” helyzetbe, így elkerülhető
a szivattyú bekapcsolva maradása.
12. Rendkívül fontos a polarizáció. Nem megfelelő polarizáció esetén a rotor
visszafelé fog forogni. A víz továbbra is távozni fog a kimeneti fúvókán
keresztül, de korlátozott lesz az áramlása. Megfelelő polarizáció a barna
szivattyúvezetéknek az akkumulátor POS vagy + oldalához történő
csatlakoztatásával érhető el. A forgásirány (tehát a polaritás)
helyességének az ellenőrzéséhez nézze meg, hogy a rotor a fenékbe
gravírozott nyílnak megfelelő irányba forog-e!
FIGYELEM! Tilos ujjal a bemeneti nyíláshoz nyúlni vagy más tárgyat
odatenni!
FIGYELEM! Ne feledje, hogy a szivattyú szárazon maximum 10 percig
működtethető!
FIGYELEM! Alacsony hőmérséklet magát a szivattyút nem befolyásolja. Ne
feledje azonban, hogy tilos a szivattyút kikapcsolni, ha el van jegesedve vagy
jégbe merül!
3.3. Tisztítás, karbantartás
a) A szivattyú áramellátását szabályozó kapcsolót könnyen hozzáférhető helyre
kell felszerelni.
b) A szivattyú rendszeres karbantartást és tisztítást igényel. A tisztítás és
karbantartás elmaradása az alacsony szivattyúteljesítmény egyik fő oka.

Table of Contents

Related product manuals