EasyManua.ls Logo

MT-Propeller E-504 - Page 21

Default Icon
97 pages
Print Icon
To Next Page IconTo Next Page
To Next Page IconTo Next Page
To Previous Page IconTo Previous Page
To Previous Page IconTo Previous Page
Loading...
E-504
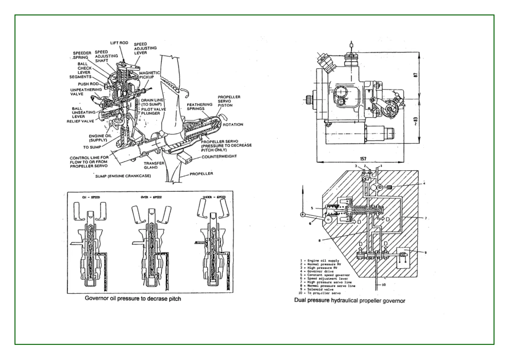
Governor oil pressure to decrase pitch
Seite 16 12.12.1997
Dual pressure hydraulical propeller governor
Page 16 1997/12/12

Related product manuals