EasyManua.ls Logo

MT-Propeller E-504 - Page 24

Default Icon
97 pages
Print Icon
To Next Page IconTo Next Page
To Next Page IconTo Next Page
To Previous Page IconTo Previous Page
To Previous Page IconTo Previous Page
Loading...
E-504
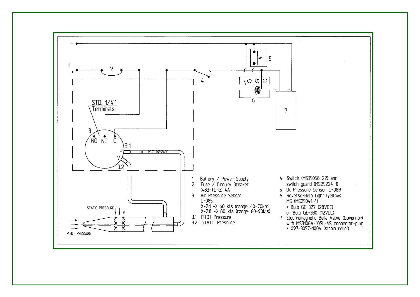
Figure 1
Seite 17-2 02.02.2012
Figure 1
Page 17-2 2012-02-02

Related product manuals