EasyManua.ls Logo

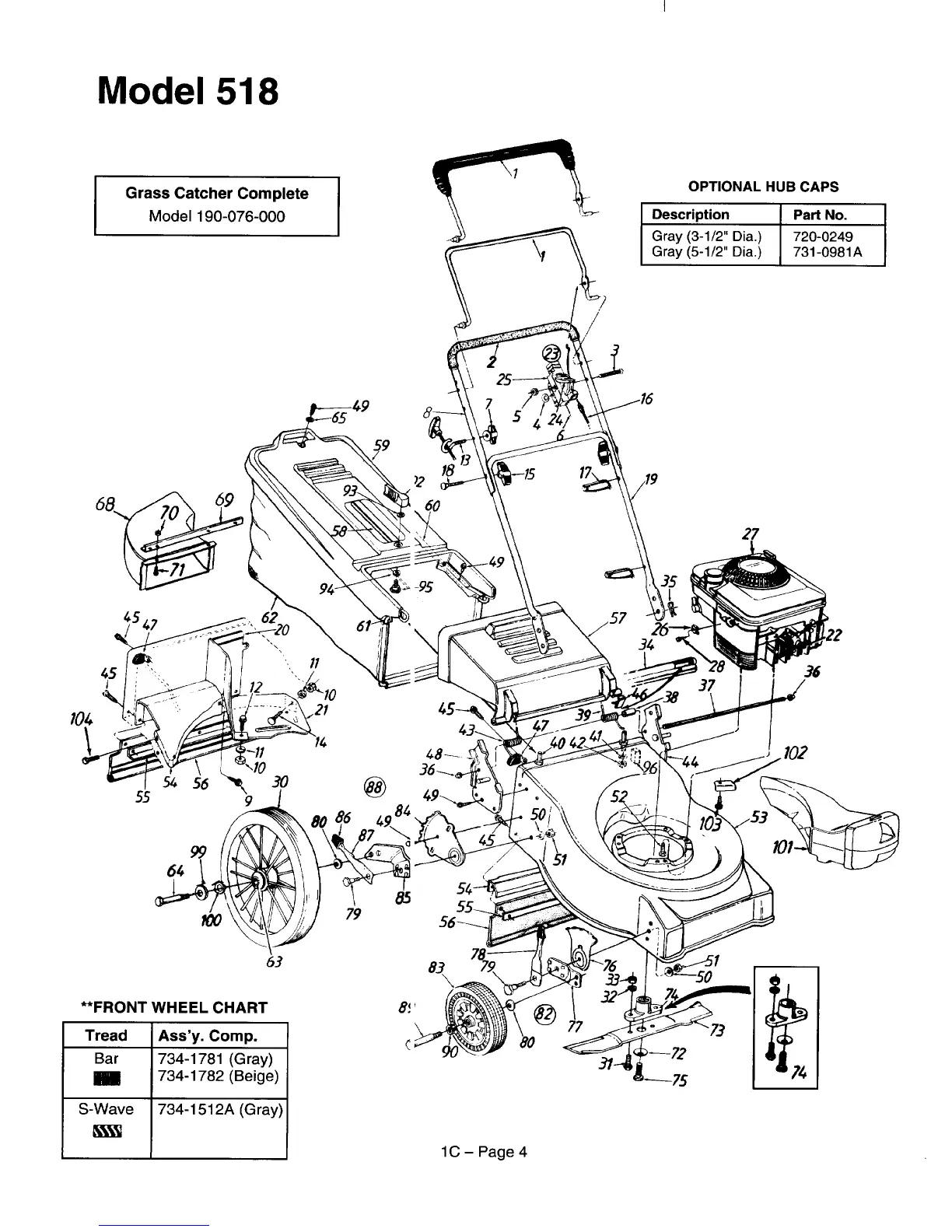
MTD 116-504A000 - Model 518 Grass Catcher Complete

MTD 116-504A000
8 pages
Print Icon
To Next Page IconTo Next Page
To Next Page IconTo Next Page
To Previous Page IconTo Previous Page
To Previous Page IconTo Previous Page
Loading...

Related product manuals