EasyManua.ls Logo

MTD 140-990A - Page 44

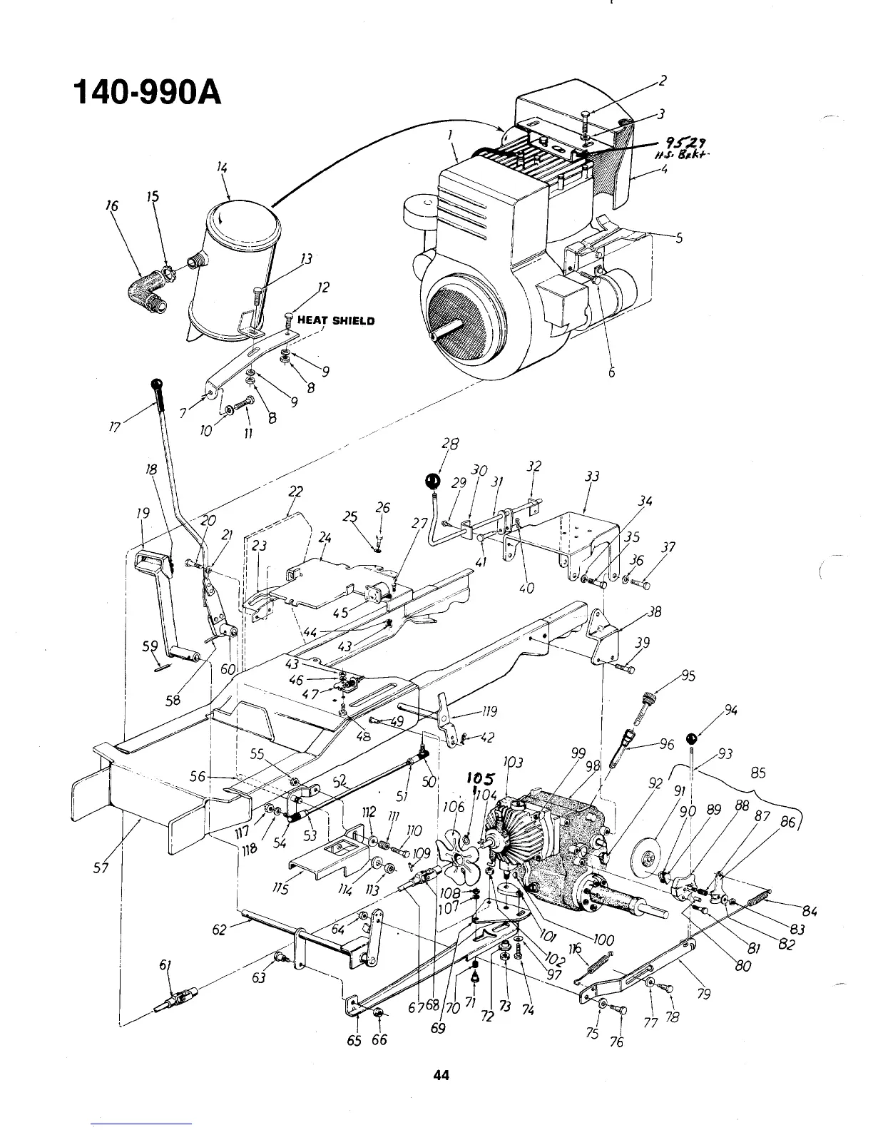
MTD 140-990A
47 pages
Print Icon
To Next Page IconTo Next Page
To Next Page IconTo Next Page
To Previous Page IconTo Previous Page
To Previous Page IconTo Previous Page
Loading...

Related product manuals