EasyManua.ls Logo

MTD 46M9 - Page 28

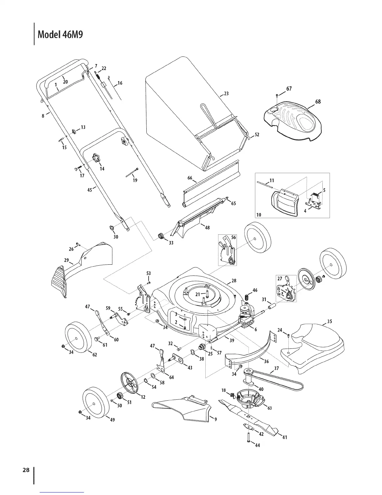
MTD 46M9
36 pages
Print Icon
To Next Page IconTo Next Page
To Next Page IconTo Next Page
To Previous Page IconTo Previous Page
To Previous Page IconTo Previous Page
Loading...
Model46M9
7 22
\ '\
30 \
47
66
10
46
67
35
47
25 57
37
/

Related product manuals