EasyManua.ls Logo

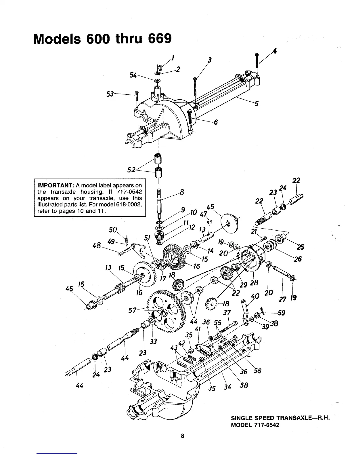
MTD 600-669 - Single Speed Transaxle Parts (Model 717-0542)

MTD 600-669
12 pages
Print Icon
To Next Page IconTo Next Page
To Next Page IconTo Next Page
To Previous Page IconTo Previous Page
To Previous Page IconTo Previous Page
Loading...

Related product manuals