EasyManua.ls Logo

Munro Complete PRO II - Page 20

Munro Complete PRO II
24 pages
Print Icon
To Next Page IconTo Next Page
To Next Page IconTo Next Page
To Previous Page IconTo Previous Page
To Previous Page IconTo Previous Page
Loading...
18
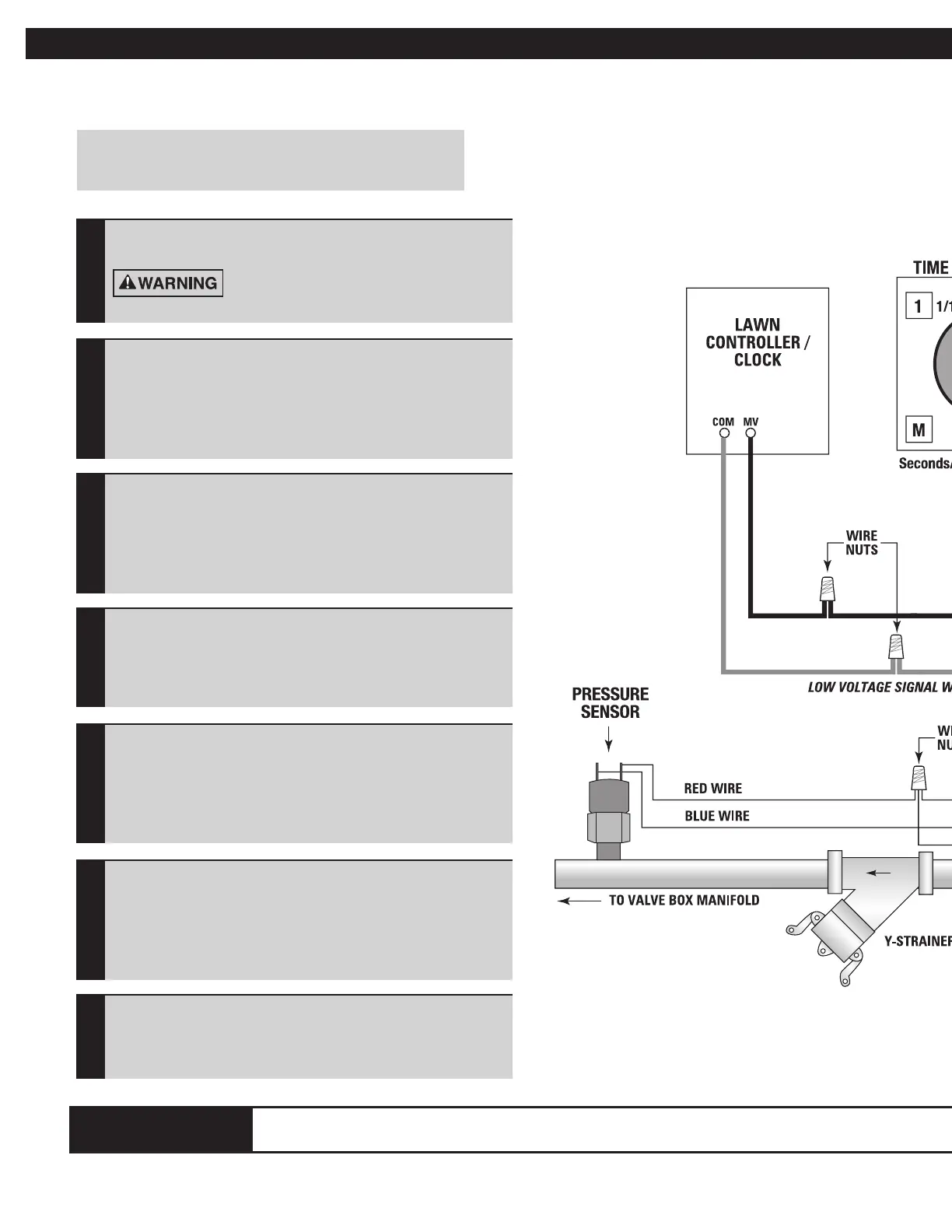
Munro SmartBox Reduced Incoming Amperage OPERATION & MAINTENANCE
Typical SmartBox Installation
Step 1Step 2Step 3Step 4Step 5Step 6Step 7
Turn Breaker “On”
Wire Power Supply
• Run power supply wires from breaker box (110 v or 220 v).
• Attach GREEN grounding wire to grounding screw.
• Attach BLACK HOT to L2 on contactor.
• Attach WHITE Neutral (110 v) / second HOT (220 v) to L1 on contactor.
Wire Contactor to Pump
• Refer to wiring diagram on motor plate for proper voltage and wire
placement.
• Refer to NEC wire cable chart for proper size of wire. Undersized wire
can affect pump performance.
Wire Sensor(s)
• Wire sensor(s) to RED & BLUE leads in the SmartBox, secure with
wire nuts.
*Temperature sensor is wired in parallel with pressure sensor.
NOTE - RED & BLUE lead wires can be placed on either terminal of the pressure sensor
and high temperature sensor.
NOTE:
Refer to specic wiring diagram located on inside cover
of enclosure.
Plumb for Sensors
• Pressure Sensor - 1/4” NPT
• Install on discharge side of the pump, as close to the pump as is
practical, making sure the sensor is installed before a check valve.
• High Temperature Sensor - 1/4” NPT
• Install directly on pump case or within 12” of the pump.
Turn Breaker “OFF”
• Never work with electrical wiring on a live circuit.
Wire Lawn Controller
• Locate the Master Valve (MV) and Common (COM) inside Lawn Controller.
• Wire MV to BLACK wire lead in SmartBox, secure with wire nuts.
• Wire COM to WHITE wire lead in SmartBox, secure with wire nuts.
DO NOT ATTEMPT TO REWIRE OR ALTER WIRING IN THE SMARTBOX OR WARRANTY WILL BE VOIDED.
DO NOT WIRE POWER DIRECTLY TO THE PRESSURE OR TEMPERATURE SENSOR. PRESSURE SENSOR WILL WORK WITH 24 VOLT ONLY.
WARNING

Related product manuals