EasyManua.ls Logo

Munro Complete PRO II - Page 21

Munro Complete PRO II
24 pages
Print Icon
To Next Page IconTo Next Page
To Next Page IconTo Next Page
To Previous Page IconTo Previous Page
To Previous Page IconTo Previous Page
Loading...
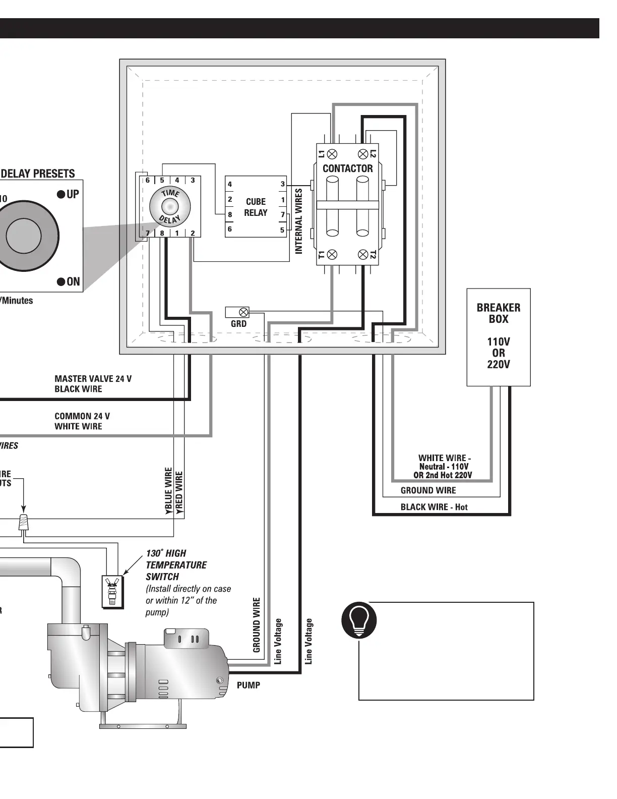
DO NOT ATTEMPT TO REWIRE OR ALTER WIRING IN THE SMARTBOX OR WARRANTY WILL BE VOIDED.
DO NOT WIRE POWER DIRECTLY TO THE PRESSURE OR TEMPERATURE SENSOR. PRESSURE SENSOR WILL WORK WITH 24 VOLT ONLY.
19
Munro SmartBox Reduced Incoming Amperage OPERATION & MAINTENANCE
System Fill Tip
• Timer inside the SmartBox is preset at 30
seconds. Initial start-up or large zones
may require additional time.
• To temporarily increase cycle time, turn
the timer dial 1/4 turn to the right.
• Repeat run cycle, as needed, to ll all
lines. Return timer to preset time.

Related product manuals