EasyManua.ls Logo

Murphy Dump Valves DV Series - Page 2

Murphy Dump Valves DV Series
2 pages
Print Icon
To Previous Page IconTo Previous Page
To Previous Page IconTo Previous Page
Loading...
Replacement Parts
55000219
:
Diaphragm Assembly (all models)
55000224
:
Seat Kit (
piston seal &
body seat)
for
DV850, DV875, DV850SS, DV875SS
55000225
:
Seat Kit (
piston seal &
body seat)
for
DV2100
Optional Adapter Bushing
55050617
:
2 NPT to 1 NPT
Rising
Level
Trips
DVO
Rising Level Shutdown
L1200 (with snap-switch)
Minimum control
pressure 30 psi
(207 kPa) [2.07 bar]
L1200NDVOR
Dump Valve Operator,
Filter/Regulator
with MURPHYGAGE
®
MURPHY NU-MATIC
®
Dump Valve: DV850,
DV875, or DV2100
Air Supply Maximum
300 psi (2.07 MPa)
[20.70 bar]
Condensate Out
Ball Valve
Union
Union
Electrical
Conduit
Minimum control pressure
30 psi (207 kPa) [2.07 bar]
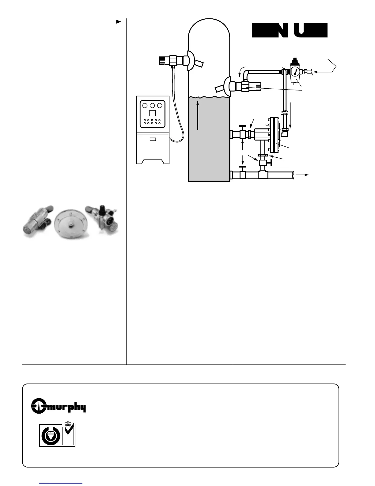
Dump Valve Operation
As condensate rises in the scrubber, the float on
the Murphy L1200NDVOR rises and trips its
pneumatic valve. The valve opens allowing pres-
sure to enter the dump valve pilot chamber. Once
the pressure enters the pilot chamber it forces the
diaphragm and valve stem forward thus opening
the valve seat and releasing condensate through
the valve stem and out the drain (a pop up button
indicates valve open/closed). As the condensate
level drops, the L1200NDVOR pneumatic valve
closes to shut off the pressure to the dump valve,
allowing it to close.
If for any reason the condensate continues to rise
beyond normal dump levels, model L1200 High
Level Shutdown Switch operates the alarm
and/or shuts down the equipment.
The MURPHYGAGE
®
and Filter/Regulator on
the L1200NDVOR help keep the control pres-
sure clean, dry, and at proper pressure levels for
system activation.
NOTE: Always use clean, dry, instrument quality gas.
SLS99 MURPHYMATIC
®
Scrubber Systems
A complete MURPHYMATIC
®
system for auto-
matic level control of condensate in scrubbers,
shown above, is available as a complete package
from Murphy.
The SLS99A Scrubber System includes:
(1) DV850 Dump Valve*
(1) L1200NDVOR Dump Valve Operator which
includes filter/regulator and MURPHYGAGE
®
(1) L1200 High Level Shutdown Switch
*
The dump valve for the SLS99B is DV2100.
The dump valve for the SLS99C is DV875.
For more information contact your nearest
Murphy sales representative or distributor.
How to Order
Specify model number:
DV850: 1 NPT Process Connection
DV850SS
*
: 1 NPT Process Connection
DV875: 1 NPT Process Connection
DV875SS
*
: 1 NPT Process Connection
DV2100: 2 NPT Process Connection
DV2100SS
*
: 2 NPT Process Connection
AISI 316 Stainless Steel body.
*
Stainless steel models carry Canadian Registration
Number OC1476.2.
Shipping Dimensions
Patent Pending
Patent 3970099
Patent Pending
Patent 3970099
®
MURPHY MATIC
Shipping Weights
DV850 and DV875: 9 lbs (4 kg).
DV2100: 13 lbs (6 kg).
Shipping Dimensions (all)
7 x 7 x 11 in. (178 x 178 x 279 mm).
Warranty
A two-year limited warranty on materials and workman-
ship is given with this Murphy product. Details are avail-
able on request and are packed with each unit.
Printed in U.S.A.
®
FRANK W.
MFR.
FRANK W. MURPHY MFR.
CONTROL SYSTEMS & SERVICES
P.O. Box 1819; Rosenberg, Texas 77471; USA
tel. (281) 342-0297 fax (281) 341-6006
e-mail sales@fwmurphy.com
FRANK W. MURPHY, LTD.
Church Rd.; Laverstock, Salisbury SP1 1QZ; U.K.
tel. +44 1722 410055 fax +44 1722 410088
e-mail sales@fwmurphy.co.uk
http://www.fwmurphy.co.uk
FRANK W. MURPHY FRANCE
tel. +33 1 30 762626 fax +33 1 30 763989
MURPHY DE MEXICO, S.A. DE C.V.
Blvd. Antonio Rocha Cordero 300, Fracción del Aguaje
San Luis Potosí, S.L.P.; México 78384
tel. +52-48-206264 fax +52-48-206336
e-mail ventas@murphymex.com.mx
FRANK W. MURPHY PTE., LTD.
No. 2 Tuas South Street 2,
Sprintecs Bldg., #02-01/02
Singapore 638042
tel. +65 863-1398 fax +65 863-0208
e-mail fwmsales@fwmurphy.com.sg
In order to consistently bring you the highest quality, full featured products, we reserve the right to change our specifications and designs at any time.
MURPHY SWITCH OF CALIFORNIA
41343 12th Street West
Palmdale, California 93551-1442; USA
tel. (661) 272-4700 fax (661) 947-7570
e-mail sales@murphyswitch.com
http://www.murphyswitch.com
MACQUARRIE CORPORATION
1620 Hume Highway;
Campbellfield, Vic 3061; Australia
tel. +61 3 9358-5555 fax +61 3 9358-5558
e-mail murphy@macquarrie.com.au
FRANK W. MURPHY MANUFACTURER P.O. Box 470248; Tulsa, Oklahoma 74147; USA tel. (918) 627-3550 fax(918) 664-6146 e-mailsales@fwmurphy.com http://www.fwmurphy.com
BSI
R
E
G
I
S
T
E
R
E
D
F
I
R
M
FM 28221
FM 29422
USA–ISO 9001
UK–ISO 9002
NATIONAL
ACCREDITATION
OF CERTIFICATION
BODIES
Since 1939

Related product manuals