EasyManua.ls Logo

Murray 309008x92B - Page 48

Murray 309008x92B
52 pages
Print Icon
To Next Page IconTo Next Page
To Next Page IconTo Next Page
To Previous Page IconTo Previous Page
To Previous Page IconTo Previous Page
Loading...
REPAIR PARTSMODEL 309008x92B
48
F050613L
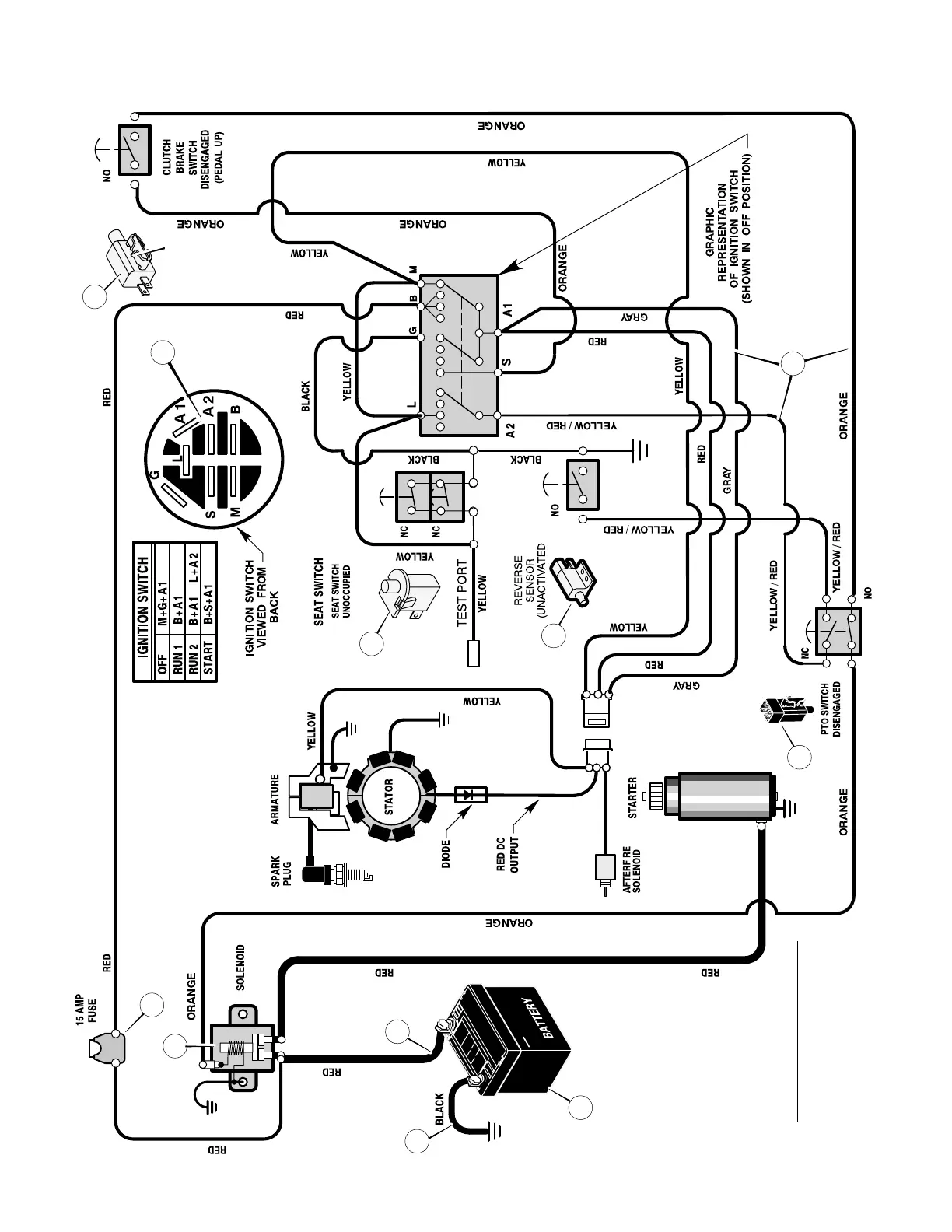
ELECTRICAL SYSTEM
94613
1001995
94159
24x37
24x24
24x24
30” MIDENGINE RIDER 2004
WIRING HARNESS FOR:
MAIN HARNESS: 250x145
92739
94136
24273
1001575
OPTIONAL
3
5
9
2
4
1
6
7
8
10
11

Table of Contents

Related product manuals