EasyManua.ls Logo

Murray 387002x92A - Page 36

Murray 387002x92A
52 pages
Print Icon
To Next Page IconTo Next Page
To Next Page IconTo Next Page
To Previous Page IconTo Previous Page
To Previous Page IconTo Previous Page
Loading...
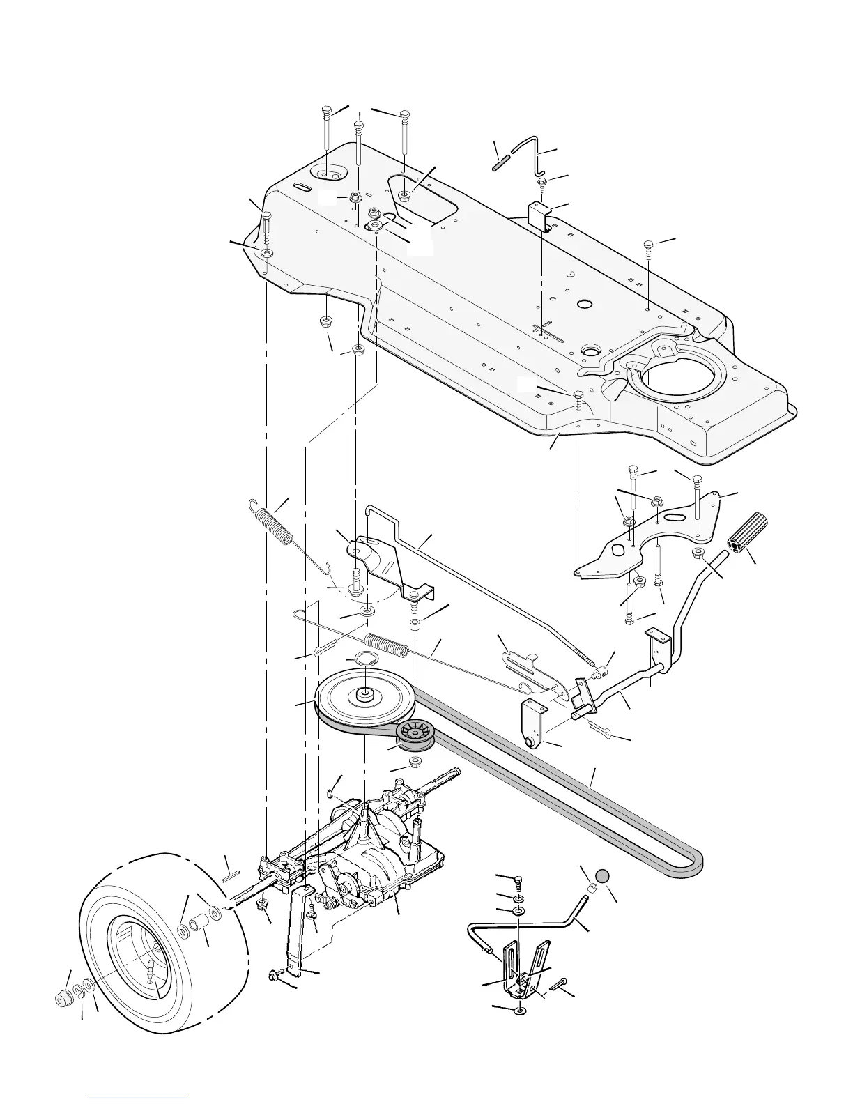
REPAIR PARTSMODEL 387002x92A
36
F-040717L
MOTION DRIVE
24
10
11
12
13
15
16
17
18
19
20
14
55
21
23
22
25
39
40
41
45
46
49
44
1
3
5
7
6
8
9
3
4
47
52
2
9
1
3
30
3
3
51
35
48
31
32
33
26
27
14
50
29
28
34
34a
36
37
38
35
14
53
54

Table of Contents

Related product manuals