EasyManua.ls Logo

Murray 405600x50A - Mower Housing Suspension

Murray 405600x50A
44 pages
Print Icon
To Next Page IconTo Next Page
To Next Page IconTo Next Page
To Previous Page IconTo Previous Page
To Previous Page IconTo Previous Page
Loading...
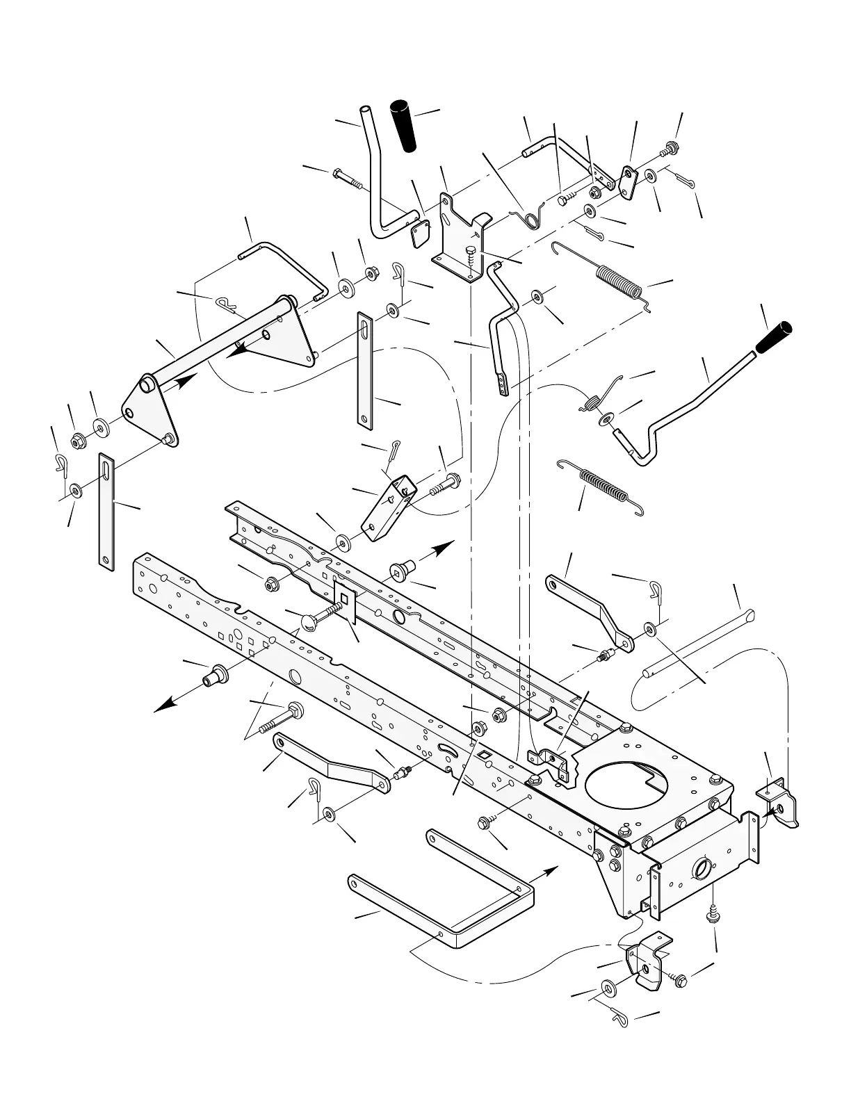
REPAIR PARTSMODEL 405600x50A
110
F020727L
MOWER HOUSING SUSPENSION
1
2
3
4
5
6
7
8
14
14
9
10
11
12
12
11
13
14
15
16
17
18
19
20
20
21
22
22
23
24 24
24
25
25
11
15
27
26
26
24
25
15
33
34
36
37
32
32
38
31
24
30
25
41
43
15
30
31
44
42
24
7
40
39
39
45

Related product manuals