EasyManua.ls Logo

Murray 425007x92B - Page 42

Murray 425007x92B
52 pages
Print Icon
To Next Page IconTo Next Page
To Next Page IconTo Next Page
To Previous Page IconTo Previous Page
To Previous Page IconTo Previous Page
Loading...
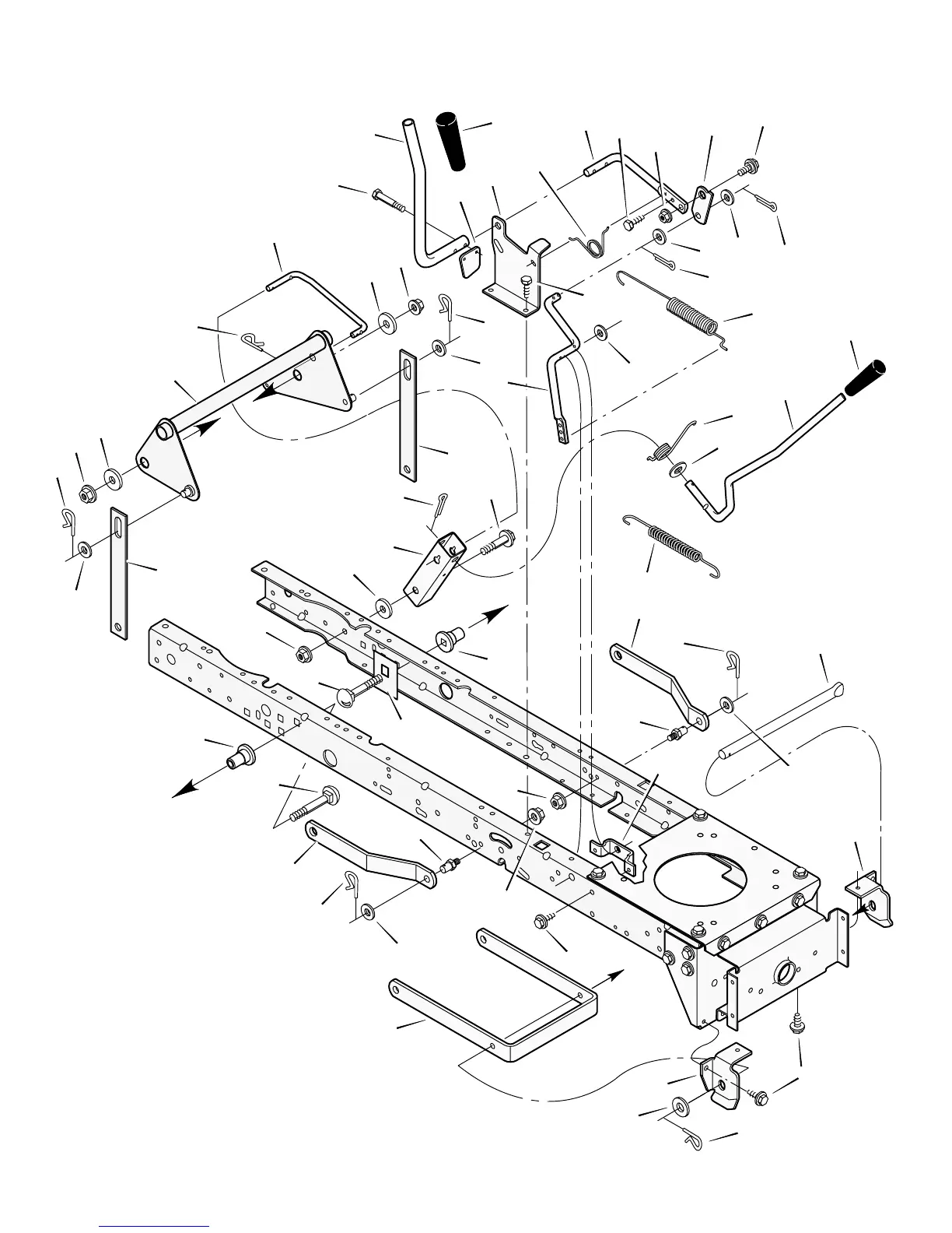
REPAIR PARTSMODEL 425007x92B
42
F-030721L
MOWER HOUSING SUSPENSION
1
2
3
4
5
6
7
8
14
14
9
10
11
12
12
11
13
14
15
16
17
18
19
20
20
21
22
22
23
24 24
24
25
25
11
15
27
26
26
24
25
15
33
34
36
37
32
32
38
31
24
30
25
41
43
15
30
31
44
42
24
7
40
39
39
45

Table of Contents

Related product manuals