EasyManua.ls Logo

Murray 425014x92B - Repair Parts - Motion Drive

Murray 425014x92B
56 pages
Print Icon
To Next Page IconTo Next Page
To Next Page IconTo Next Page
To Previous Page IconTo Previous Page
To Previous Page IconTo Previous Page
Loading...
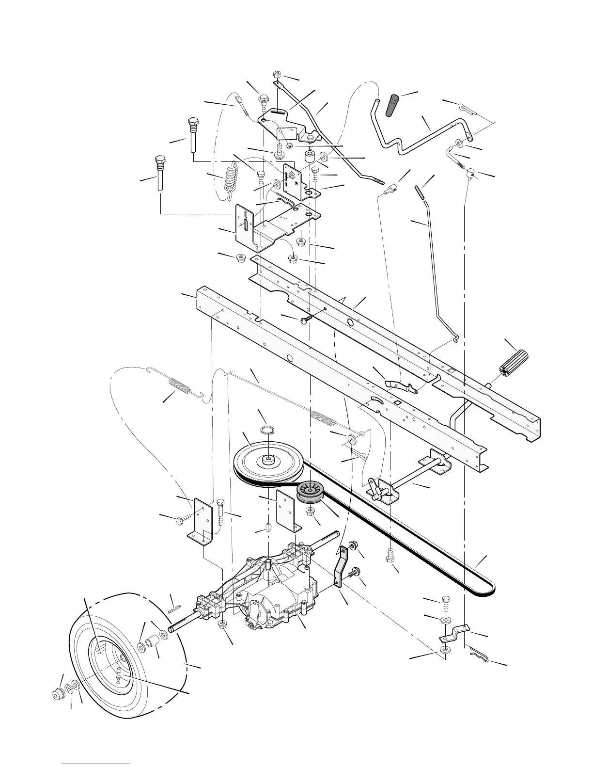
REPAIR PARTSMODEL 425014x92B
40
F-050706L
MOTION DRIVE
1
2
3
4
5
6
7
8
9
10
12
11
13
14
15
16
60
18
19
20
17
21
62
55
22
23
25
26
27
28
30
31
32
33
35
17
41
29
17
40
39
40
38
45
37
46
49
48
50
53
51
52
47
36
8
61
43
56
44
54
54
5
5
57
34
59
42
58
37
24

Table of Contents

Related product manuals