EasyManua.ls Logo

Murray 465306x8A - Page 42

Murray 465306x8A
56 pages
Print Icon
To Next Page IconTo Next Page
To Next Page IconTo Next Page
To Previous Page IconTo Previous Page
To Previous Page IconTo Previous Page
Loading...
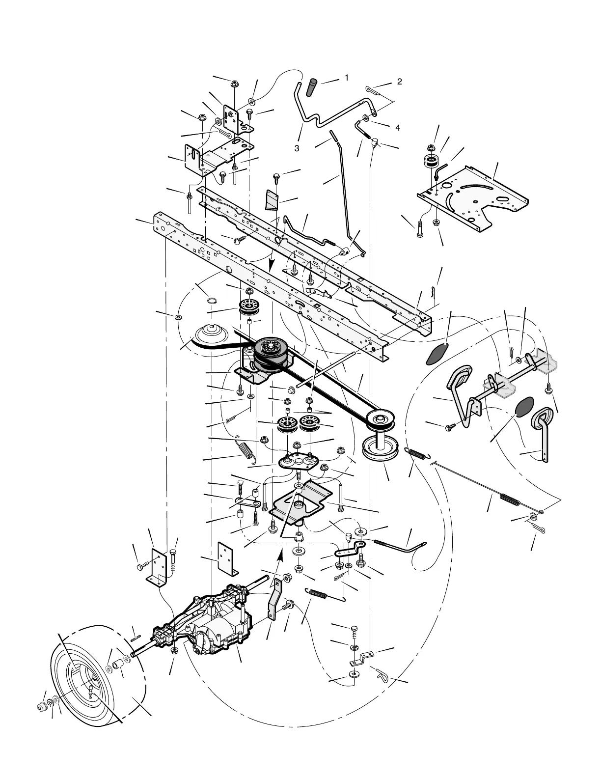
REPAIR PARTSMODEL 465306x8A
42
F–040703L
MOTION DRIVE
ÁÁ
ÁÁ
1
2
3
4
5
6
7
8
9
10
11
12
13
14
15
16
17
18
17
19
20
21
2
2
4
64
62
63
62
61
17
58
17
56
55
54
60
59
57
17
53
4
52
47
45
46
49
51
48
17
2
4
47
46
45
13
44
25
43
65
13
41
41
40
17
42
6
22
24
23
43
26
27
28
66
2
39b
39a
38
17
37
31a
36
35
34
33
32
30
29
67
30
47
47
68
69
69
70
71
72
73
74
9
75
76
31
31b
13
13
68
77
40a
40b
40a
40c
45

Table of Contents

Related product manuals