EasyManua.ls Logo

Murray SELECT 425001x8A - Page 42

Murray SELECT 425001x8A
52 pages
Print Icon
To Next Page IconTo Next Page
To Next Page IconTo Next Page
To Previous Page IconTo Previous Page
To Previous Page IconTo Previous Page
Loading...
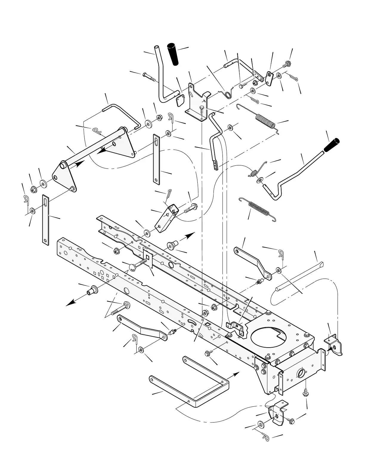
REPAIR PARTSMODEL 425001x8A
42
F–040715L
MOWER HOUSING SUSPENSION
1
2
3
4
5
6
7
8
14
14
9
10
11
12
12
11
13
14
15
16
17
18
19
20
20
21
22
22
23
24 24
24
25
25
11
15
27
26
26
24
25
15
33
34
36
37
32
32
38
31
24
30
25
41
43
15
30
31
44
42
24
7
40
39
39
45

Table of Contents

Related product manuals