EasyManua.ls Logo

Mustang 634 - Page 72

Mustang 634
84 pages
Print Icon
To Next Page IconTo Next Page
To Next Page IconTo Next Page
To Previous Page IconTo Previous Page
To Previous Page IconTo Previous Page
Loading...
913229/CP0615 70 PRINTED IN U.S.A.
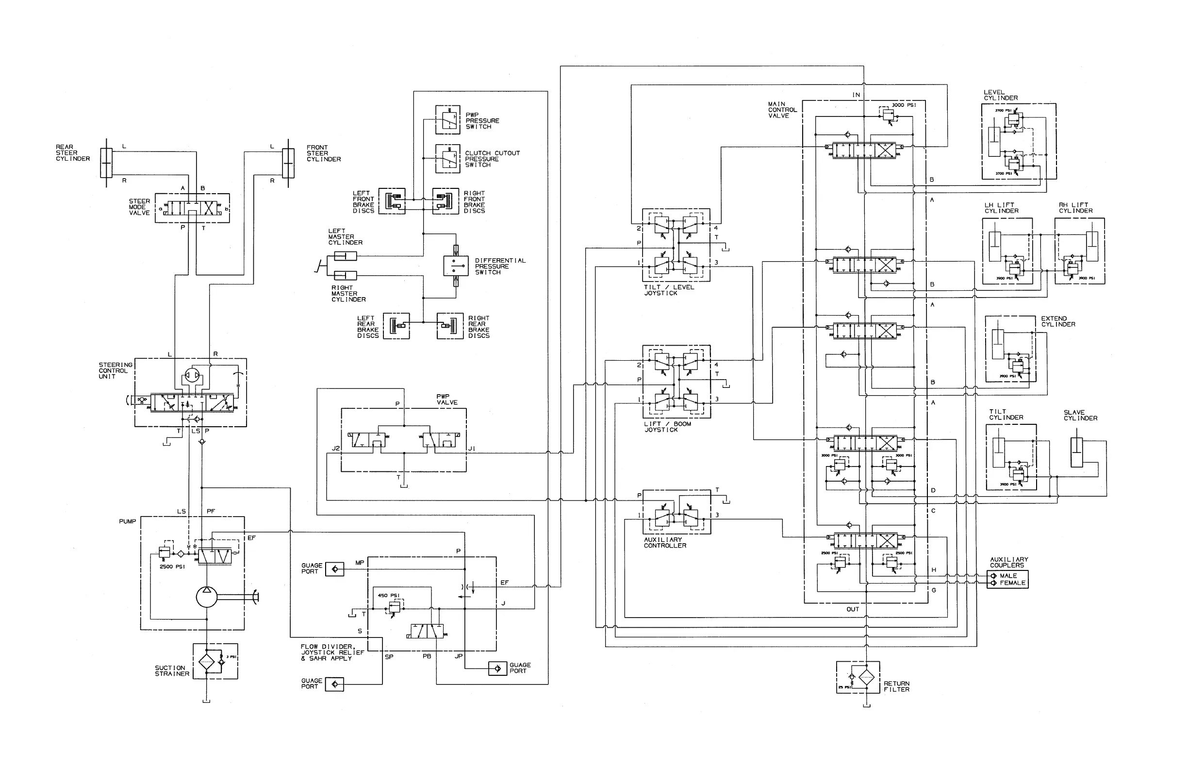
Hydraulic Schematic with WPS