EasyManua.ls Logo

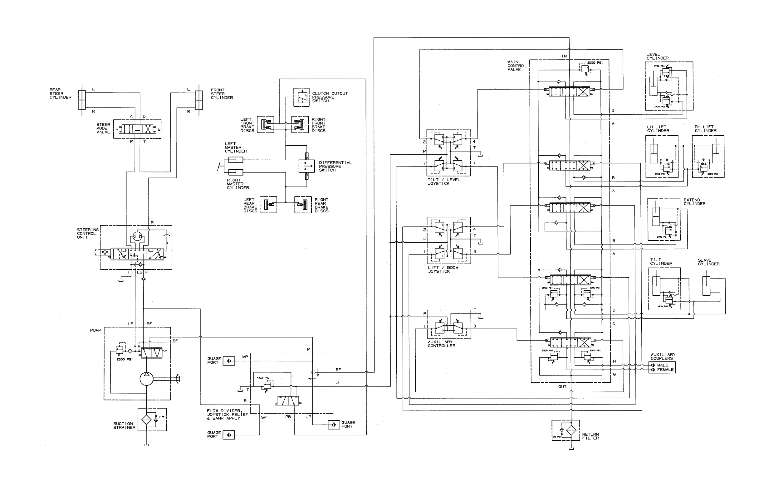
Mustang 634 - Hydraulic Schematics

Mustang 634
84 pages
Print Icon
To Next Page IconTo Next Page
To Next Page IconTo Next Page
To Previous Page IconTo Previous Page
To Previous Page IconTo Previous Page
Loading...
PRINTED IN U.S.A. 69 913229/CP0615
Hydraulic Schematic w/o WPS