EasyManua.ls Logo

mycom i160S - Page 27

Default Icon
121 pages
Print Icon
To Next Page IconTo Next Page
To Next Page IconTo Next Page
To Previous Page IconTo Previous Page
To Previous Page IconTo Previous Page
Loading...
2203M4-JE-MY-iS2-N_2017.04.
Chapter 2 Compressor Specifications and Configuration
Screw Compressor i-series 2.3
Compressor Specifications
2-9
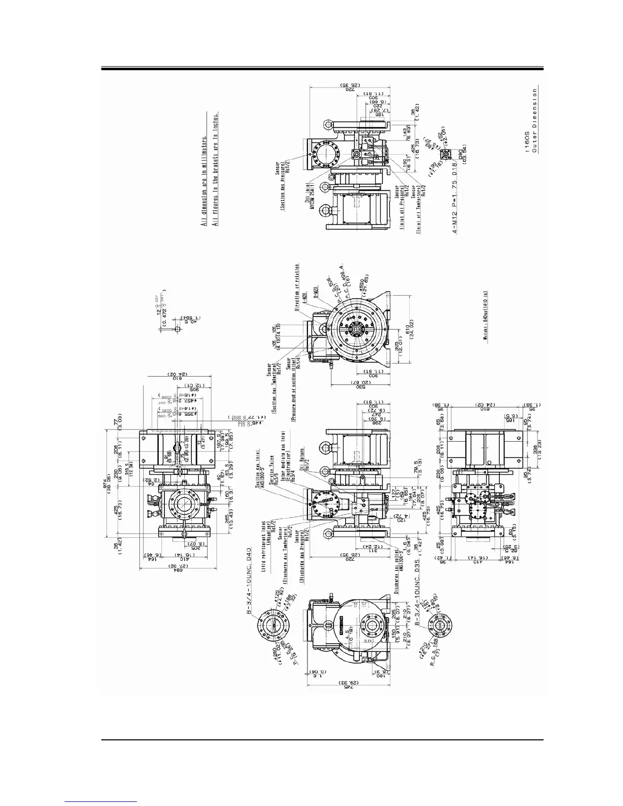
Figure
2-5 i160S Outer Dimensions with a Spacer for Flange Motor (NEMA)

Related product manuals