EasyManua.ls Logo

Narco Avionics MK12D TSO - Parallel Audio Installations

Narco Avionics MK12D TSO
19 pages
Print Icon
To Next Page IconTo Next Page
To Next Page IconTo Next Page
To Previous Page IconTo Previous Page
To Previous Page IconTo Previous Page
Loading...
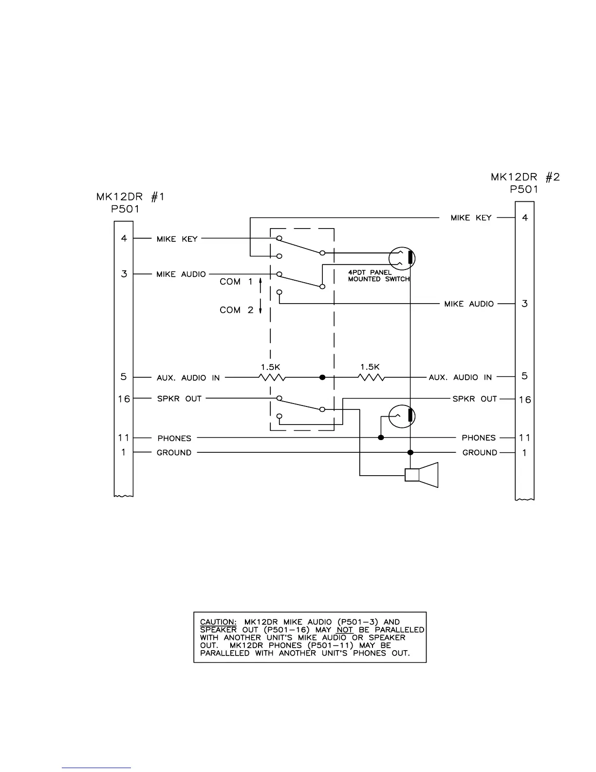
2.5 PARALLEL AUDIO INSTALLATIONS
In some dual installations ( usually without audio panel) the speaker outputs of the
two NAV/COMs were wired in parallel. The MK12DR TSO has a solid state speaker
amplifier for improved audio response and reliability and this type amplifier cannot
be paralleled. For these installation it is recommended that the installation be
modified according to figure 2-1.
Warning! Failure to comply with this section will cause damage to one or both
units.
FIG. 2-1
JUNE 1996
REV. C
5