EasyManua.ls Logo

NEC NP3151W - Page 7

NEC NP3151W
9 pages
Print Icon
To Next Page IconTo Next Page
To Next Page IconTo Next Page
To Previous Page IconTo Previous Page
To Previous Page IconTo Previous Page
Loading...
NEC Display Solutions Europe GmbH
NP3151W Installation Guide
Desktop and Ceiling Mount v 1.6
www.nec-display-solutions.com NP3151W Page 7 of 9
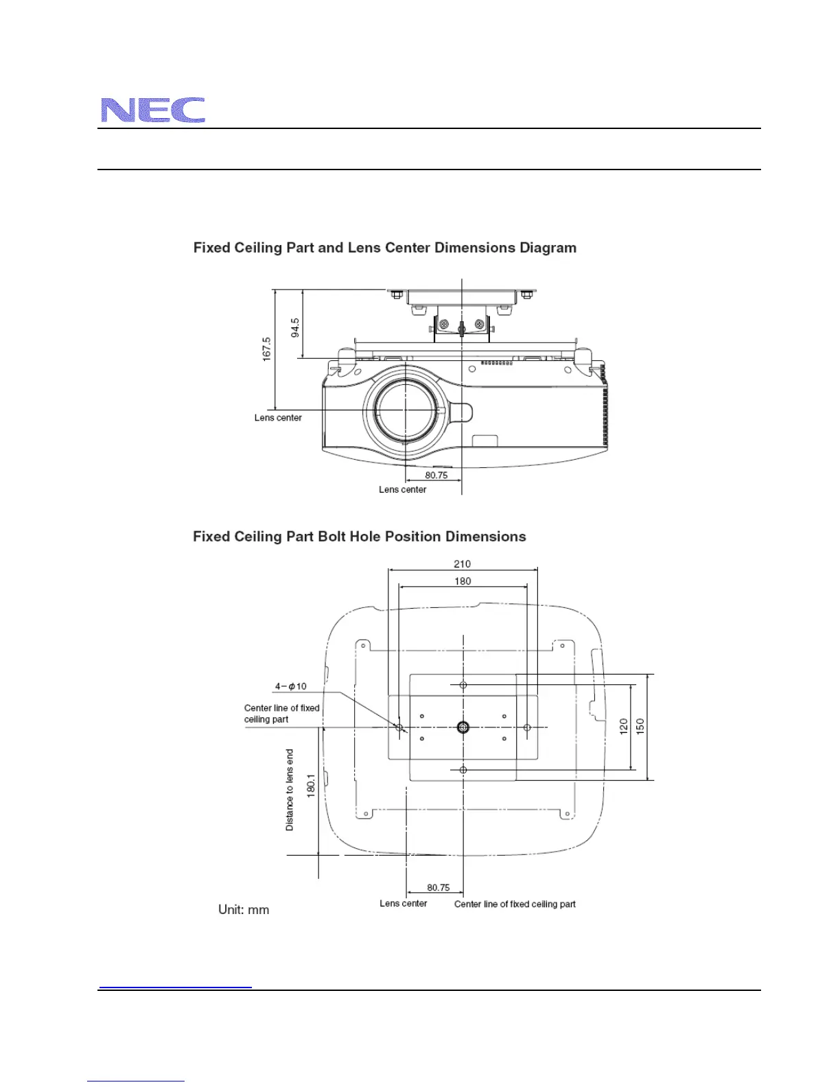
Optional Ceiling Mount Dimensions (Model #: NP05CM)
The following diagrams show ceiling mount dimensions for the NP3150.

Other manuals for NEC NP3151W

Related product manuals