EasyManua.ls Logo

NEC V652-TM - 2 Connectors and Wiring; LAN Control; Preparation; RS-232 C Remote Control

NEC V652-TM
72 pages
Print Icon
To Next Page IconTo Next Page
To Next Page IconTo Next Page
To Previous Page IconTo Previous Page
To Previous Page IconTo Previous Page
Loading...
(4/72)
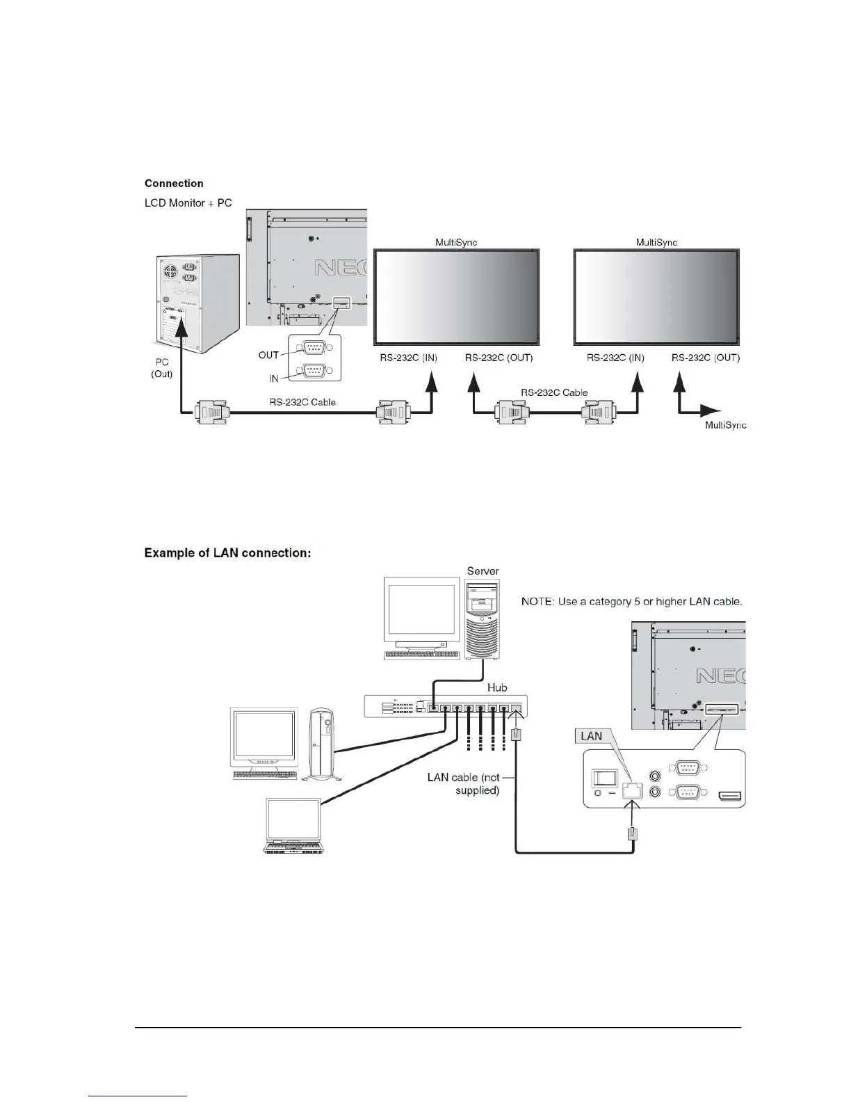
II. Preparation
2. Connectors and wiring
2.1 RS-232C Remote control
Connector: 9-pin D-Sub
Cable: Cross (reversed) cable or null modem cable
(Please refer Controlling the LCD monitor via RS-232C Remote control on Users manual.)
2.2 LAN control
Connector: RJ-45 10/100 BASE-T
Cable: Category 5 or higher LAN cable
(Please refer Controlling the LCD monitor via LAN control on Users manual.)

Related product manuals