EasyManua.ls Logo

Neotec NT-3500 - Block Diagram

Default Icon
22 pages
Print Icon
To Next Page IconTo Next Page
To Next Page IconTo Next Page
To Previous Page IconTo Previous Page
To Previous Page IconTo Previous Page
Loading...
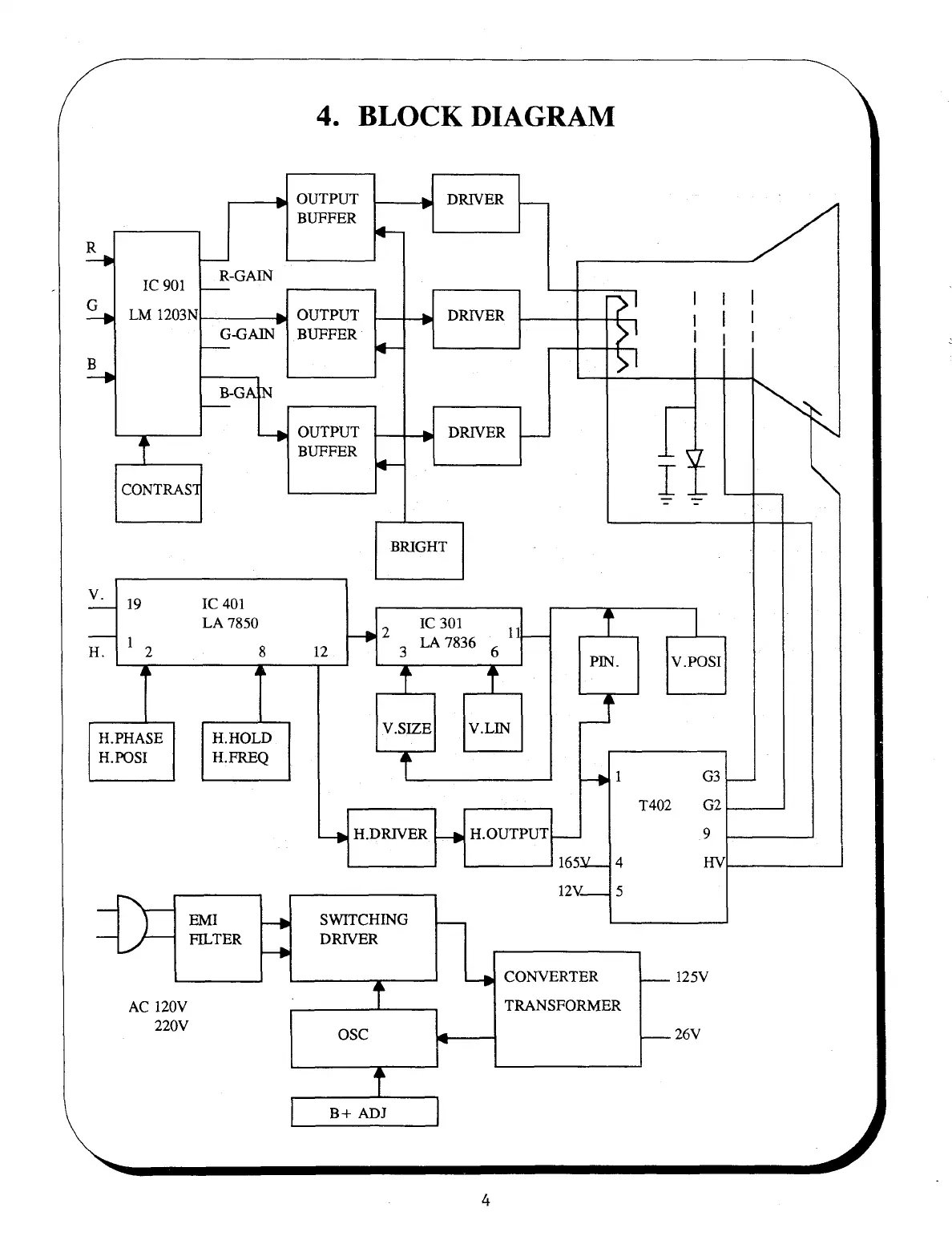
4. BLOCK DIAGRAM
OUTPUT
DRIVER
BUFFER
IC
go
,
R-GAZ
IN
LM 1203N
OUTPUT
DRIVER
G-GAIN BUFFER
I
I
OUTPUT
DRIVER
BUFFER
[CONTS
BRIGHT
V.
19
IC 401
LA 7850
2
IC 301
11
8
12
3 LA 7836 _6
PIN.
V.POSI
H.PHASE
H.HOLD
V.SIZE
V.LIN
H.POSI
H.FREQ
4
1
G3
T402
G2
H.DRIVER
H.OUTPUT
9
165.
4
12V..
5
EMI
SWITCHING
FILTER
DRIVER
CONVERTER
125V
AC 120V
T
TRANSFORMER
26V
220V
Osc
I
B+ADJ
I
4

Related product manuals