EasyManua.ls Logo

Neslab RTE-111 - Page 24

Default Icon
27 pages
Print Icon
To Next Page IconTo Next Page
To Next Page IconTo Next Page
To Previous Page IconTo Previous Page
To Previous Page IconTo Previous Page
Loading...
- 23 -
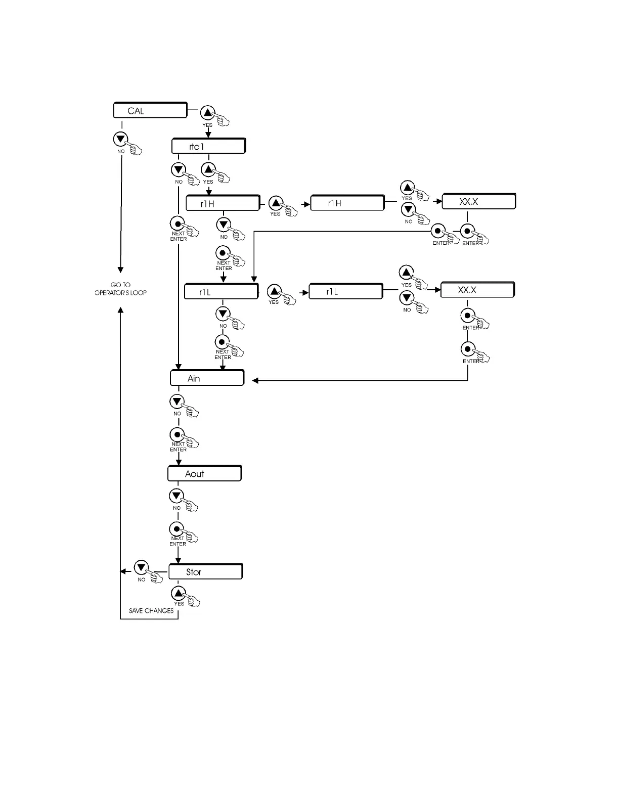
Figure 4 Calibration Loop
rtd1 = Internal sensor
rtd2 = remote sensor
r1H = High temperature
r1L = Low temperature
Ain = NA for this unit
Aout = NA for this unit
Stor = Store

Related product manuals