EasyManua.ls Logo

NEW WISDOM KL5M - Usage Guide; Notes; Charger Rack Design Picture

NEW WISDOM KL5M
10 pages
Print Icon
To Next Page IconTo Next Page
To Next Page IconTo Next Page
To Previous Page IconTo Previous Page
To Previous Page IconTo Previous Page
Loading...
LED Li-ion battery Miner's lamp booklet
--------------- ------------------------ ---------------------- --------------------------- ------------------------ ----------------------- -------------------------- ---------
THANK YOU FOR YOUR BUSINESS! 10 - 5
KCLA-12A 12 units module compact style charger rack 30x98x23cm, 19kg 32x100x25cm, 23kg Carton
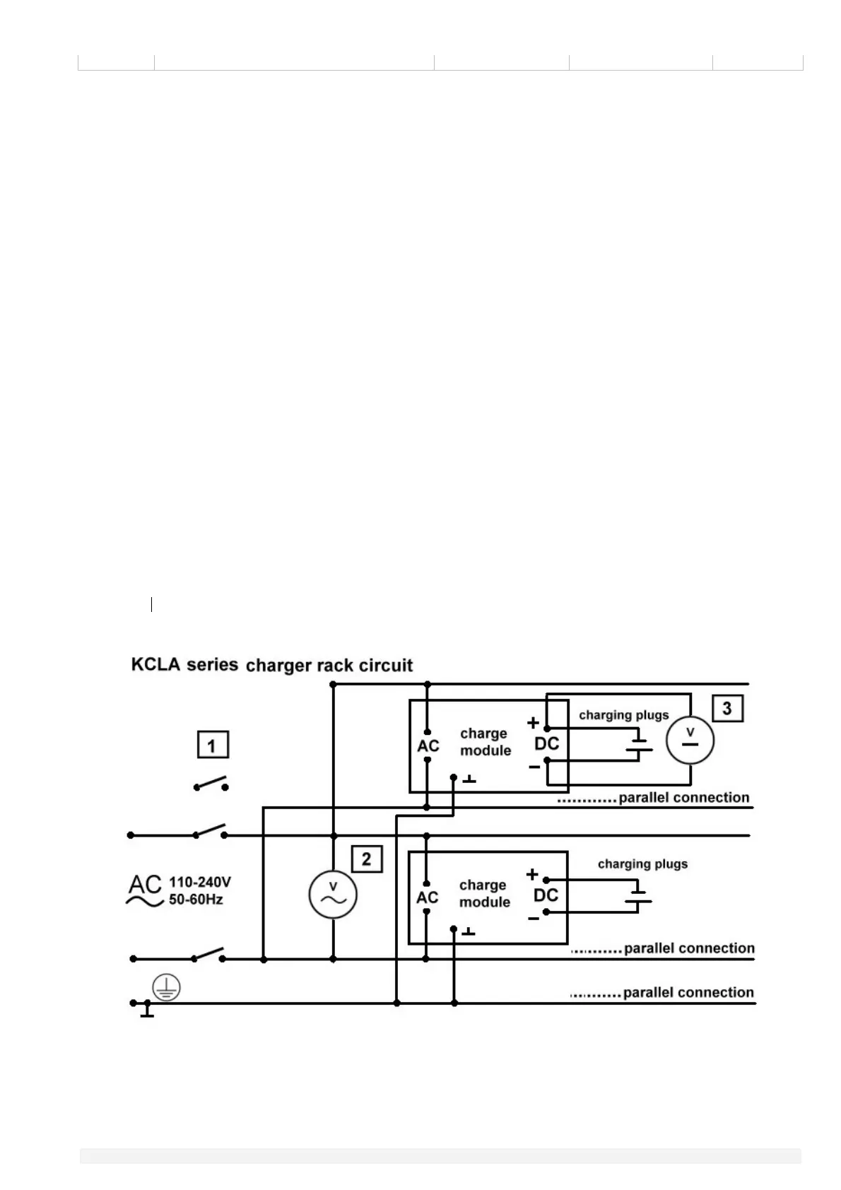
Usage guide:
a. in the initial usage, please make sure if the circuit are connected to each point, all the parts are not loosen or damaged in the
carrying or shaking. When you make sure there’s everything normal then you can start to use it.
b. Please connect the 110V -240V ±10%, 50-60Hz power through the air switch to connect power connector post of the rack,
Please make sure correctly connect firmly. When you are setting up please let power off. (Air switch, and cable etc simple
equipments necessary for user self-prepare.)
c. In the initial usage, please connect the power to test if the rack works normally. When testing please don’t add anything else
on it. When the power is on, the input voltage displayer will display the correct voltage; all the charger indicators are in green
color, it means the charger is almost ready. For further test, put the lamps necessary to charge onto the charge point, turn
180º clockwise to make the charger and the lamp firmly connect with the cathode and anode. And the charger indicator is red
color means this unit normally charging. Use the same way to test other points. Now you can use the charge rack after
testing all the points.
d. When charging, if the capacity is different, the charging time is different, the charger indicators may not display exact the
same colors. When the charger indicator is green color, it means the lamp is finished charging. The normal charging time is 6
to 12h.
Notes:
a. Ensure that the supply voltage does not exceed the rated voltage otherwise charger will action protective system and
automatically cut off the power then you cannot charge.
b. If the power off during the charging please don’t worry, now when it comes the power it will continue charging. No need to
remove the lamp as before.
c. Should the charging time be longer than the normal charging time, please check for any loose connections between the
lamp and the rack and inside the rack.
d. Li-ion battery is strictly to the charger. They require high precise in the charging voltage, charging current. And different
manufacture s have different parameter in the Li-ion battery miner’s lamp. Please try to use our chargers for our lamps.
Charger rack design picture: