EasyManua.ls Logo

Newlong DS-9C - Thread Tension & Needle Thread Oiler

Default Icon
49 pages
Print Icon
To Next Page IconTo Next Page
To Next Page IconTo Next Page
To Previous Page IconTo Previous Page
To Previous Page IconTo Previous Page
Loading...
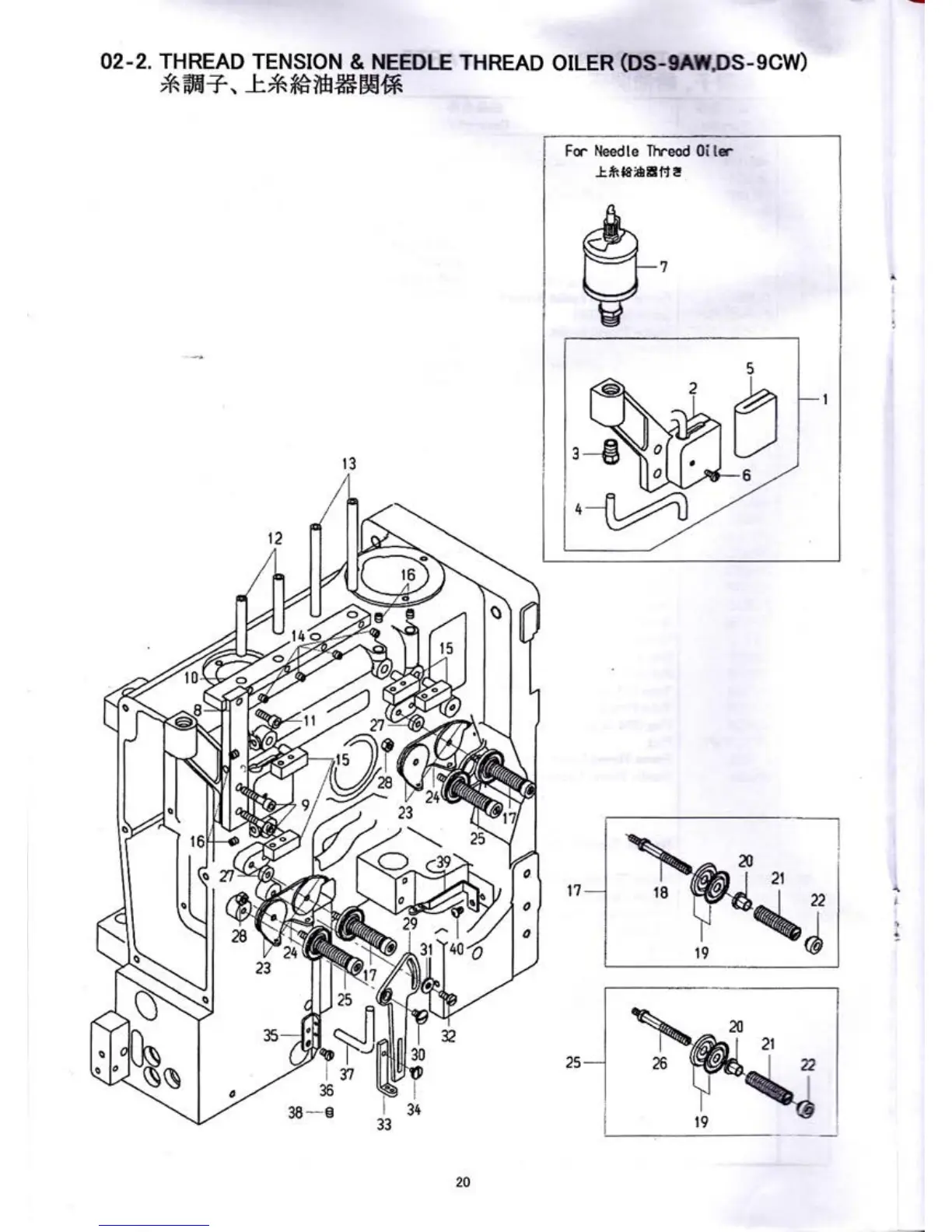
O2-2,
THREAD
TENSION
& NEEDLE
THREAD
OILER
(DS-
TTDS-9CW)
/Affiil+.
-E'*ffi'iH**BHffi
36
38*-C
Fr
Needle
Threod 0itr
-t'&*emEfre
20

Related product manuals