EasyManua.ls Logo

Newlong DS-9P - Cutter Parts

Default Icon
49 pages
Print Icon
To Next Page IconTo Next Page
To Next Page IconTo Next Page
To Previous Page IconTo Previous Page
To Previous Page IconTo Previous Page
Loading...
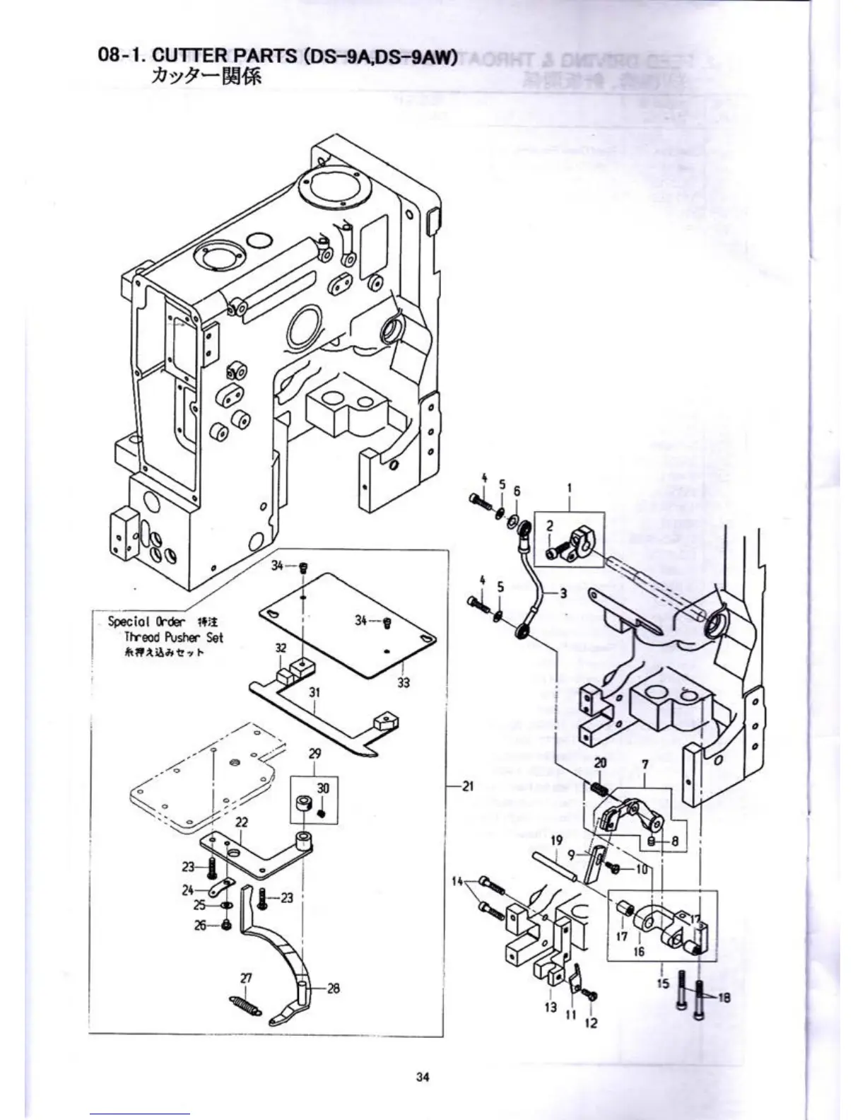
O8-I.
CUTTER
PARTS
(DS-9ADS-SAW}
fiyF-85ffi

Related product manuals