EasyManua.ls Logo

Nexo LS1200

Default Icon
42 pages
To Next Page IconTo Next Page
To Next Page IconTo Next Page
To Previous Page IconTo Previous Page
To Previous Page IconTo Previous Page
Loading...
TDCONTROLLER REFERENCE GUIDE
___________________________________________________________________________________________________
P.2
5
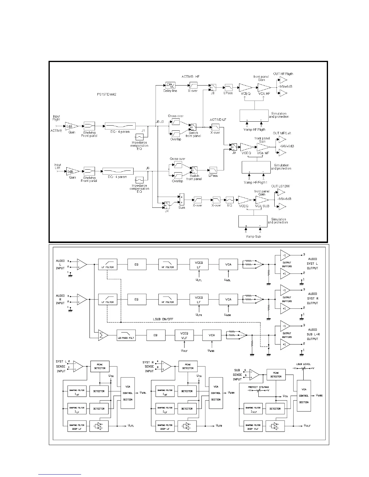
Electronic block diagram
PS8TD & PS10TDcontroller Block Diagramm

Related product manuals