EasyManua.ls Logo

Nidec MCE iBox - Page 182

Nidec MCE iBox
482 pages
Print Icon
To Next Page IconTo Next Page
To Next Page IconTo Next Page
To Previous Page IconTo Previous Page
To Previous Page IconTo Previous Page
Loading...
System Options
5-18 Manual # 42-02-7223 C1
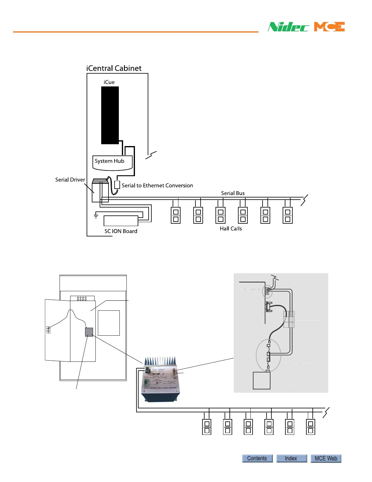
Figure 5.6 Typical iCentral Serial Hall Call Connections
Figure 5.7 Typical Serial Hall Call Connections for a Simplex or Swing Car
iController
3#(#$!3ERIAL(ALL#ALL$RIVER!SSEMBLY
USUALLYMOUNTEDINSIDETHEI0OWER
"OXON3IMPLEXAND3WING#ARS
2IBBONCABLETO
3#(#$!)3/BOARD
CONNECTSHERE
3ERIAL(ALL#ALL"US
3#(#$!
3#(#$!)3/
(ALL#ALL$RIVER
)SOLATION"OARD
7IRING6ENT
I"OX
V'.$
3ERIAL(ALL
#ALL0ORT
Open power box
(ALL#ALL&IXTURES3#(#.3ERIAL(ALL#ALL.ODE"OARDS
3#
(
#
$!
3#(#$!)3/
(ALL#ALL$RIVE
R
)SOLATION"OARD
7
I
R
I
NG6ENT
I
"
O
X
V
'.$
3
ERI
AL
(
ALL
#ALL
0
O
R
T


Table of Contents

Related product manuals