EasyManua.ls Logo

Nirvana Paramotors NS 160 - Electric Schema

Nirvana Paramotors NS 160
87 pages
Print Icon
To Next Page IconTo Next Page
To Next Page IconTo Next Page
To Previous Page IconTo Previous Page
To Previous Page IconTo Previous Page
Loading...
Last update 23.10.2012
13
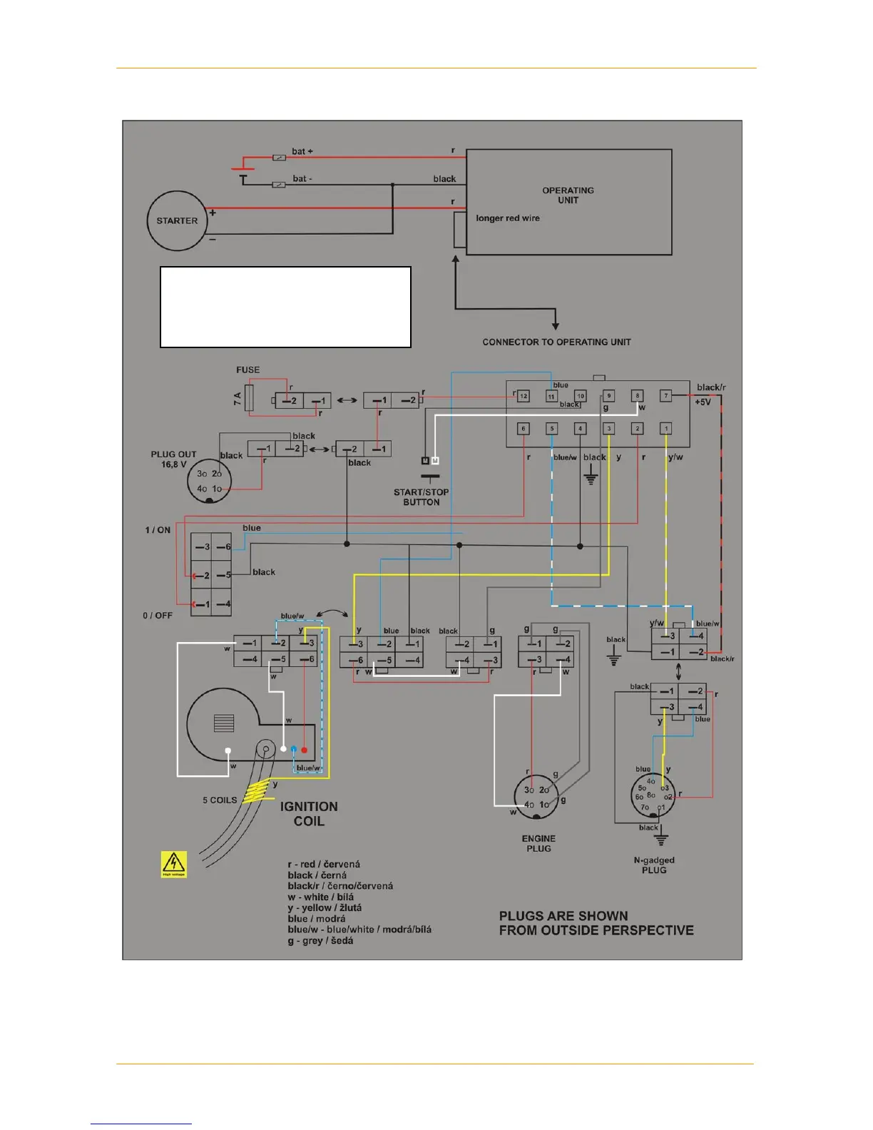
ELECTRIC SCHEMA
ELECTRIC DIAGRAM
INSTINCT
MADE AFTER 1.1.2011

Related product manuals