EasyManua.ls Logo

Nissan ENGINE - Unit Disassembly and Assembly; Engine Unit Disassembly and Assembly

Nissan ENGINE
139 pages
Print Icon
To Next Page IconTo Next Page
To Next Page IconTo Next Page
To Previous Page IconTo Previous Page
To Previous Page IconTo Previous Page
Loading...
EM-102
< UNIT DISASSEMBLY AND ASSEMBLY >
[VQ40DE]
ENGINE UNIT
UNIT DISASSEMBLY AND ASSEMBLY
ENGINE UNIT
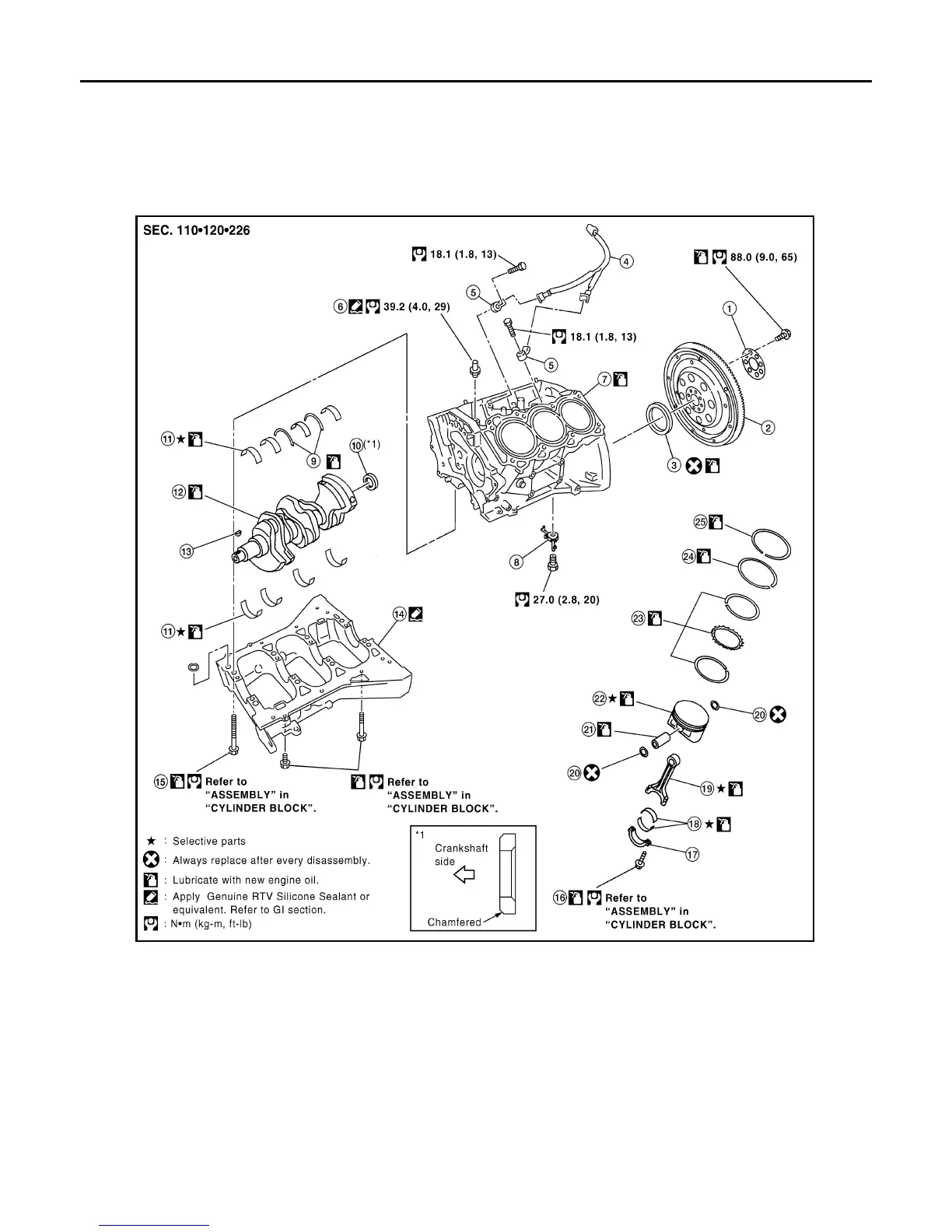
Exploded View INFOID:0000000008799003
1. Reinforcement plate 2. Drive plate (A/T models), Flywheel (M/T models) 3. Rear oil seal
4. Sub harness 5. Knock sensor 6. Water connector
7. Cylinder block 8. Oil jet 9. Thrust bearing
10. Pilot converter (A/T models) 11. Main bearing 12. Crankshaft
13. Crankshaft key 14. Lower cylinder block 15. Lower cylinder block bolt
16. Connecting rod bolt 17. Connecting rod bearing cap 18. Connecting rod bearing
19. Connecting rod 20. Snap ring 21. Piston pin
22. Piston 23. Oil ring 24. Second ring
25. Top ring
WBIA0582E
Revision: January 2013 2013 Xterra

Related product manuals